Celle-là, c'est ma préféréemaseramo a écrit :Ciao Froggie, c’est vrai qu’elles sont si pures et limpides ! Voici #2054 qui est charnière entre les A6G/53 de course et les A6G/54 de route dont la dénomination commerciale était A6G 2000 :
Les perles du net
- Froggie
- W16
- Messages : 9029
- Inscription : jeu. 12 oct. 2017 23:50
- Localisation : 0
- Localisation : Bruxelles, Belgique
Re: Les perles du net
-
En lignemaseramo
- W18
- Messages : 14135
- Inscription : dim. 8 janv. 2012 11:00
- Localisation : 83
- Localisation : Saint-Raphaël (Var)
Re: Les perles du net
En 1953 elle préfigurait avec quelques années d’avance les AC Cobra !
"quando turbo spira ...", Dante Alighieri dans "La Divina Commedia"
-
En lignemaseramo
- W18
- Messages : 14135
- Inscription : dim. 8 janv. 2012 11:00
- Localisation : 83
- Localisation : Saint-Raphaël (Var)
Re: Les perles du net
Ah la Ghibli I. Imaginez en 1966, c’était une perle de modernité, de performances et de classe :
Le cadeau de mariage de Peter Sellers aà sa femme :
Le cadeau de mariage de Peter Sellers aà sa femme :
"quando turbo spira ...", Dante Alighieri dans "La Divina Commedia"
-
En lignemaseramo
- W18
- Messages : 14135
- Inscription : dim. 8 janv. 2012 11:00
- Localisation : 83
- Localisation : Saint-Raphaël (Var)
Re: Les perles du net
C’est le fameux 8 meno 2, exemplaire unique actuellement dans les réserves du musée Panini.
En 1967, Citroën lance un appel d’offre à divers constructeurs pour un V6 qui devra équiper le futur coupé S. Maserati ampute de 2 cylindres un V8 4.2 et présente ce moteur à Citroën 2 ou 3 semaines après le lancement de l’appel d’offre. Citroën est abasourdi par la réactivité de cette petite entreprise modénaise. Chez un grand constructeur, il faut des mois de plans, décisions collégiales etc … ce sera le point de départ de la collaboration puis du rachat de Maserati par Citroën. L’ingénieur Alfieri va à partir du 8 meno 2 plancher sur un tout nouveau moteur, le C114, avec une distribution totalement différente mais qui conservera l’ouverture du Và 90 degrés, inhabituelle sur un V6.
En 1967, Citroën lance un appel d’offre à divers constructeurs pour un V6 qui devra équiper le futur coupé S. Maserati ampute de 2 cylindres un V8 4.2 et présente ce moteur à Citroën 2 ou 3 semaines après le lancement de l’appel d’offre. Citroën est abasourdi par la réactivité de cette petite entreprise modénaise. Chez un grand constructeur, il faut des mois de plans, décisions collégiales etc … ce sera le point de départ de la collaboration puis du rachat de Maserati par Citroën. L’ingénieur Alfieri va à partir du 8 meno 2 plancher sur un tout nouveau moteur, le C114, avec une distribution totalement différente mais qui conservera l’ouverture du Và 90 degrés, inhabituelle sur un V6.
"quando turbo spira ...", Dante Alighieri dans "La Divina Commedia"
- Froggie
- W16
- Messages : 9029
- Inscription : jeu. 12 oct. 2017 23:50
- Localisation : 0
- Localisation : Bruxelles, Belgique
Re: Les perles du net
Alido, sais-tu pourquoi ce V8 tronqué n'a pas été utilisé et qu'à la place Alfieri a conçu le V6 SM avec la chaine des ACT entre deux rangées de cylindres et avec arbre de renvoi: encombrement ou autre?
Car le V6 SM/Merak a en effet connu pas mal de problèmes au début à cause de cette conception...
Car le V6 SM/Merak a en effet connu pas mal de problèmes au début à cause de cette conception...
-
En lignemaseramo
- W18
- Messages : 14135
- Inscription : dim. 8 janv. 2012 11:00
- Localisation : 83
- Localisation : Saint-Raphaël (Var)
Re: Les perles du net
Le 8 meno 2 aurait été envisageable pour une propulsion.
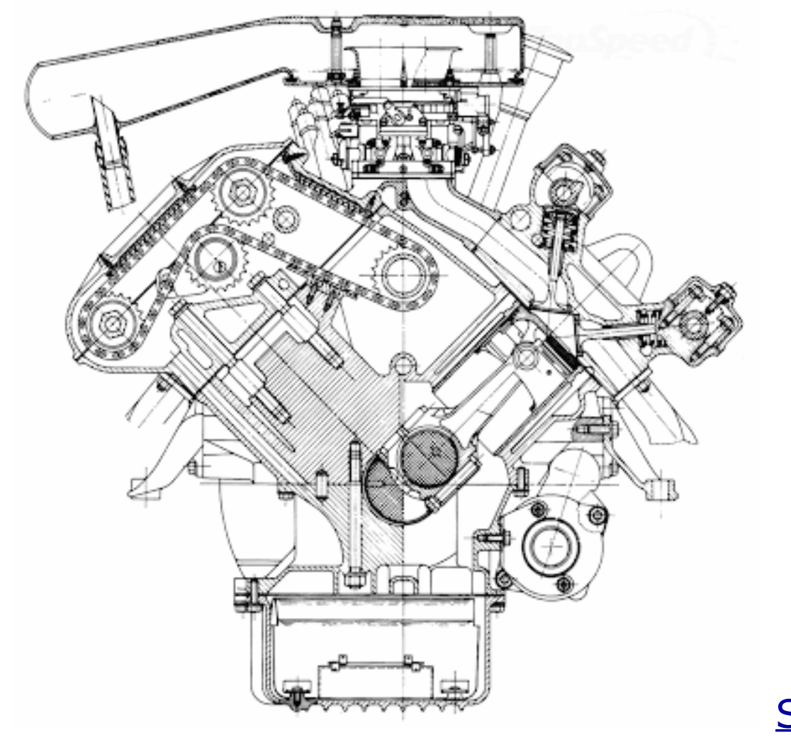
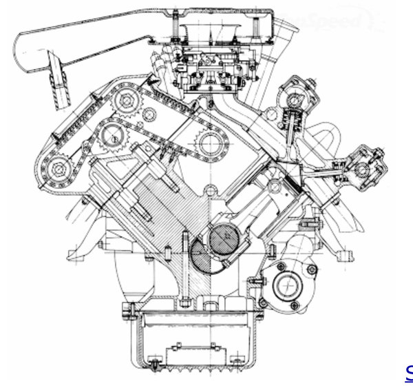
Mais Citroën voulait faire un coupé traction avec le V6 longitudinal en arrière des roues avant. On pouvait retourner le 8 meno 2 mais il y aurait eu un problème pour l’accessibilité aux accessoires standards et en plus il fallait une source d’energie motrice vers l’avant pour entraîner la pompe haute pression pour la suspension hydropneumatique, la direction assistée et les freins haute pression. D’où l’idée de l’ingénieur Alfieri de conserver une distribution primaire arrière contre l’habitacle entraînant un arbre au centre du V qui alimenterait la pompe haute pression en avant et des chaînes secondaires entraînant les arbres à cames pour chaque banc de cylindres. Ainsi est né le C114.
Mais Citroën voulait faire un coupé traction avec le V6 longitudinal en arrière des roues avant. On pouvait retourner le 8 meno 2 mais il y aurait eu un problème pour l’accessibilité aux accessoires standards et en plus il fallait une source d’energie motrice vers l’avant pour entraîner la pompe haute pression pour la suspension hydropneumatique, la direction assistée et les freins haute pression. D’où l’idée de l’ingénieur Alfieri de conserver une distribution primaire arrière contre l’habitacle entraînant un arbre au centre du V qui alimenterait la pompe haute pression en avant et des chaînes secondaires entraînant les arbres à cames pour chaque banc de cylindres. Ainsi est né le C114.
"quando turbo spira ...", Dante Alighieri dans "La Divina Commedia"
-
En lignemaseramo
- W18
- Messages : 14135
- Inscription : dim. 8 janv. 2012 11:00
- Localisation : 83
- Localisation : Saint-Raphaël (Var)
Re: Les perles du net
Avec les disques in board de part et d’autre de la boite de vitesses :
Le moteur est central avant, franchement en arrière des roues avant :
.
On voit bien l’arbre sortant du centre du V et entraînant les divers accessoires placés au dessus de la boite de vitesses :
On voit bien l’arbre sortant du centre du V et entraînant les divers accessoires placés au dessus de la boite de vitesses :
"quando turbo spira ...", Dante Alighieri dans "La Divina Commedia"
Re: Les perles du net
La principale raison c'est que la voiture existait déjà en 4Cyl et que dans le projet initial il était prévu de commercialiser deux moteurs, un 4Cyl. et un 6Cyl en coupé et berline. Donc il fallait un 6Cyl "identique" au 4 Cyl.
Dans ce développement Citroen était le maître d'oeuvre, le cahier des charges était très précis et Maserati n'était que le "sous-traitant".
Concernant le V6 à 90° c'est aussi une demande de Citroën car il avait déjà testé sur des DS au début des années 60 cette configuration qui compte tenu de l'architecture de la voiture lui semblait le meilleur compromis.
Dans ce développement Citroen était le maître d'oeuvre, le cahier des charges était très précis et Maserati n'était que le "sous-traitant".
Concernant le V6 à 90° c'est aussi une demande de Citroën car il avait déjà testé sur des DS au début des années 60 cette configuration qui compte tenu de l'architecture de la voiture lui semblait le meilleur compromis.
- Froggie
- W16
- Messages : 9029
- Inscription : jeu. 12 oct. 2017 23:50
- Localisation : 0
- Localisation : Bruxelles, Belgique
Re: Les perles du net
Merci à tous deux
.
Très clair!
Très clair!
Re: Les perles du net
Moins que d'autresFroggie a écrit :Car le V6 SM/Merak a en effet connu pas mal de problèmes au début à cause de cette conception...
-
En lignemaseramo
- W18
- Messages : 14135
- Inscription : dim. 8 janv. 2012 11:00
- Localisation : 83
- Localisation : Saint-Raphaël (Var)
Re: Les perles du net
Grazie Smart pour les infos. Je ne savais pas que la Renault 16 était peu fiable.
Encore deux images de « sua maesta », « sa majesté » comme la surnomment les italiens :
Encore deux images de « sua maesta », « sa majesté » comme la surnomment les italiens :
"quando turbo spira ...", Dante Alighieri dans "La Divina Commedia"
-
En lignemaseramo
- W18
- Messages : 14135
- Inscription : dim. 8 janv. 2012 11:00
- Localisation : 83
- Localisation : Saint-Raphaël (Var)
Re: Les perles du net
Encore un V6 à 90 degrés mais celui-là à 4 soupapes par cylindre et Biturbo :
"quando turbo spira ...", Dante Alighieri dans "La Divina Commedia"
-
En lignemaseramo
- W18
- Messages : 14135
- Inscription : dim. 8 janv. 2012 11:00
- Localisation : 83
- Localisation : Saint-Raphaël (Var)
Re: Les perles du net
NOIR …
… OU BLANC :
"quando turbo spira ...", Dante Alighieri dans "La Divina Commedia"
- Froggie
- W16
- Messages : 9029
- Inscription : jeu. 12 oct. 2017 23:50
- Localisation : 0
- Localisation : Bruxelles, Belgique
Re: Les perles du net
Haha, la capote fermée là encore!
-
En lignemaseramo
- W18
- Messages : 14135
- Inscription : dim. 8 janv. 2012 11:00
- Localisation : 83
- Localisation : Saint-Raphaël (Var)
Re: Les perles du net
Oui, extrêmement rare photo de Birdcage avec la capote du règlement international !
"quando turbo spira ...", Dante Alighieri dans "La Divina Commedia"
-
En lignemaseramo
- W18
- Messages : 14135
- Inscription : dim. 8 janv. 2012 11:00
- Localisation : 83
- Localisation : Saint-Raphaël (Var)
Re: Les perles du net
A l’époque la gare de Monaco était au virage du loews puis du Fairmont qui s’appelait virage de la gare. Là on est juste en dessous :
On était après le Mirabeau bas, juste avant le virage du Portier. Ça s’est un peu construit depuis !
De nos jours en 2016, vue depuis le Mirabeau bas vers le Portier :
On était après le Mirabeau bas, juste avant le virage du Portier. Ça s’est un peu construit depuis !
De nos jours en 2016, vue depuis le Mirabeau bas vers le Portier :
"quando turbo spira ...", Dante Alighieri dans "La Divina Commedia"
Re: Les perles du net
Comme je te comprendsFroggie a écrit :Celle-là, c'est ma préféréemaseramo a écrit :Ciao Froggie, c’est vrai qu’elles sont si pures et limpides ! Voici #2054 qui est charnière entre les A6G/53 de course et les A6G/54 de route dont la dénomination commerciale était A6G 2000 :
- CBi
- V12
- Messages : 2713
- Inscription : jeu. 22 nov. 2018 17:11
- Localisation : 0
- Localisation : Japon
- Contact :
Re: Les perles du net
MQP V Executive GT - Membre du MC of Japan - Golden Member de toute l'Asie-Pacifique POA - Instagram : cbi_maserati
-
En lignemaseramo
- W18
- Messages : 14135
- Inscription : dim. 8 janv. 2012 11:00
- Localisation : 83
- Localisation : Saint-Raphaël (Var)
Re: Les perles du net
Exceptionnel, grazie CBi !
Ce sont des Tipo 26 M (8 cylindres en ligne, 2.5 litres à compresseur, 185 cv pour 800 kg, 230 km/h). Ernesto Maserati en blanc est au volant de la numéro 10.
La numéro 46 (Clemente Biondetti, Luigi Parenti) va finir troisième, une autre Maserati privée anglaise sera quatrième, la numéro 20 (René Dreyfus, Pietro Ghersi) sera huitième, la numéro 10 (Luigi Fagioli, Ernesto Maserati) va abandonner alors qu’elle avait battu le record du tour en course.
Le grand prix de France 1931 s’est tenu à Montlhéry et alentours et a duré plus de 10h avec deux pilotes qui se relayaient par voiture.
Ce sont des Tipo 26 M (8 cylindres en ligne, 2.5 litres à compresseur, 185 cv pour 800 kg, 230 km/h). Ernesto Maserati en blanc est au volant de la numéro 10.
La numéro 46 (Clemente Biondetti, Luigi Parenti) va finir troisième, une autre Maserati privée anglaise sera quatrième, la numéro 20 (René Dreyfus, Pietro Ghersi) sera huitième, la numéro 10 (Luigi Fagioli, Ernesto Maserati) va abandonner alors qu’elle avait battu le record du tour en course.
Le grand prix de France 1931 s’est tenu à Montlhéry et alentours et a duré plus de 10h avec deux pilotes qui se relayaient par voiture.
"quando turbo spira ...", Dante Alighieri dans "La Divina Commedia"
-
En lignemaseramo
- W18
- Messages : 14135
- Inscription : dim. 8 janv. 2012 11:00
- Localisation : 83
- Localisation : Saint-Raphaël (Var)
Re: Les perles du net
La 8 CM (8 cylindres en ligne, 3 litres à compresseur, 240 cv pour 750 kg, 250 km/h) succède en 1933 à la 8C 2800 qui avait elle même succédé à la Tipo 26M.
"quando turbo spira ...", Dante Alighieri dans "La Divina Commedia"
