Page 1 sur 2
Le musée C114
Publié : mer. 15 oct. 2025 20:56
par maseramo
Chers amis, nous avions déjà sur Maseratitude le sublime musée 1/43 de Princedead, je vous propose de parcourir ici le petit musée C114 des automobiles mues par ce fameux V6 Maserati.
Mais avant tout, je souhaite dédier ce post à Marc Sonnery qui nous a quitté ces jours-ci. Il était un très grand spécialiste particulièrement de la période Citroën de Maserati (1968 – 1975) et j’espère que de là-haut, entre deux discussions avec l’ingénieur Giulio Alfieri, le designer Marcello Gandini ou Juan Manuel Fangio, notre petite folie sur les autos motorisées par le C114 l’amusera. Ciao Marc, ti pensiamo forte !
Re: Le musée C114
Publié : mer. 15 oct. 2025 21:02
par maseramo
Bon, ce qu’il y a de bien avec le virtuel, c’est qu’on peut assouvir ses fantasmes pour pas cher ! Disons que le fantasme de départ était ici de rassembler une collection d’automobiles toutes mues par le moteur C114 Maserati. Et le résultat, c’est un petit musée virtuel que je vais vous présenter, comprenant une vingtaine de voitures. Un collectionneur belge, Thierry Dehaeck à Ypres, a quant à lui réalisé en partie mon fantasme : il possède en réalité réelle les 5 premiers éléments de ce musée virtuel dont voici ci-dessous la composition :
- Une SM “de base”
- Une SM Mylord
- Une SM Opera
- La SM Espace Heuliez
- La SM du record de vitesse avec son pick up SM
- La SM présidentielle (reconstruction)
- La SM Frua
- Une SM Groupe 5
- La SM Proto Michelin
- La SM V8 de l’ingénieur Giulio Alfieri (reconstruction avec le moteur originel)
- La SM plateau Tissier
- Une SM2
- Une Maserati Merak 2.9
- Une Maserati Merak SS tableau de bord Bora
- Une Maserati Merak 2000
- La Merak Turbo
- Une Maserati Quattroporte II Bertone
- Une Ligier JS 2
- Une Ligier JS 2 de course 4 soupapes par cylindre
Re: Le musée C114
Publié : mer. 15 oct. 2025 21:05
par maseramo
Sympa non ?
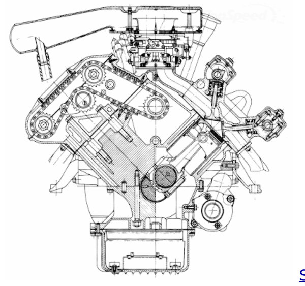
Point commun à toutes ces automobiles, le moteur C114 qui a été dessiné en 1967 par l’ingénieur Giulio Alfieri pour équiper la Citroën SM. Il s’agit d’un V6 à 90 degrés de 2.7 litres avec deux arbres à cames en tête par rangée de cylindres et deux soupapes par cylindre. Il dispose de trois chaines de distribution : une primaire entre le vilebrequin et un arbre dans le centre du V et une pour chaque banc de cylindre entrainant les deux arbres à cames à partir de l’arbre au centre du V.

- C30A8961-2A02-41C8-9120-2E8DCB247C07.jpeg (59.73 Kio) Consulté 1510 fois

- 66A6F7B4-AF10-499A-BA79-FBD17762EAFC.jpeg (69.54 Kio) Consulté 1510 fois

- 9653754654.gif (84.57 Kio) Consulté 1510 fois
Les disques sont "in board", à l'origine des demi arbres entre le moteur et la boite de vitesse.

- 600762856.jpg (121.67 Kio) Consulté 1509 fois
Ce moteur de 170 cv avec trois carburateurs a été placé dans la SM bien sûr mais aussi en 2.9 litres 190 cv voire 220 cv dans la Maserati Merak et la Maserati Quattroporte II Bertone ainsi que dans les Ligier JS2 de route et de course (jusqu’à 380 cv en 4 soupapes par cylindre dans ce dernier cas).
Re: Le musée C114
Publié : mer. 15 oct. 2025 21:09
par maseramo
Allez, venez les amis, je vous emmène, on part visiter ce musée. Ne vous inquiétez pas, il n’y en a que pour une trentaine de minute en visite courte sans ouvrir les compléments optionnels sur liens que je vous conseille de consulter dans un second temps si vous le souhaitez. En vous limitant juste au post, ça vous donnera rapidement une idée globale de cette collection magique. Bien-sûr, une part belle est faite aux diverses SM mais, vous verrez, les Maserati et les Ligier y sont bien représentées.
Re: Le musée C114
Publié : mer. 15 oct. 2025 21:12
par maseramo
D’abord la SM « de base ». Je l’adore de cette couleur « Or de Simiane » avec l’intérieur en cuir marron. Le patron de mon père avait exactement la même. Comme il n’était pas souvent là, mon père faisait tourner cette SM de temps en temps et venait parfois me chercher avec à l’école primaire vers 1973. J’avais dix ans. C’est à cette occasion que j’ai entendu pour la première fois le mot « Maserati » et le son merveilleux de ce moteur ! Marqué à vie !
Ah les sièges "hamac" et la longue vague du tableau de bord !
Pour avoir plus d’infos et d’images sur la SM :
viewtopic.php?t=10550
Re: Le musée C114
Publié : mer. 15 oct. 2025 21:16
par maseramo
Le cabriolet Mylord (carrossé par Henri Chapron) que j’ai choisi pour le musée C114 a une couleur légèrement différente de l’Or de Simiane. Je trouve que l’équilibre de ses lignes est très réussi, aussi bien décapoté que capoté.
Pour en savoir plus sur le Cabriolet SM Mylord :
viewtopic.php?t=11680
Re: Le musée C114
Publié : mer. 15 oct. 2025 21:19
par maseramo
Henri Chapron a été moins inspiré pour la berline SM que pour le cabriolet. Mais dans une couleur sombre, ça passe et elle était indispensable à ce musée. Cette SM Opera appartient à la collection de Thierry Dehaeck.
Pour en savoir plus sur la SM Opera :
viewtopic.php?p=229306#p229306
Re: Le musée C114
Publié : mer. 15 oct. 2025 21:22
par maseramo
La SM Espace d’Heuliez appartient également à la collection de Thierry Dehaeck. Le toit s’ouvre latéralement de part et d’autre d’un T roof central longitudinal.

- IMG_9332.jpeg (96.98 Kio) Consulté 1490 fois
Pour en savoir plus sur la SM Espace Heuliez :
viewtopic.php?t=11691
Re: Le musée C114
Publié : mer. 15 oct. 2025 21:29
par maseramo
La SM de l’américain Jerry Hathaway, quasiment sans modification de carrosserie, a atteint 320 km/h puis 325 km/h sur le lac salé aux USA en 1985 et en 1987 (plus de 200 Miles par heure

). Le C114 de cette SM unique est gavé par deux turbo sans intercooler. Puissance : 530 cv. Le pick-up SM tractant le proto est devenu tout aussi célèbre. Ils sont tous les deux dans la collection de l’excellent Thierry Dehaeck.
Pas de freins sur la SM des records, freinage par parachute ici replié !
Pour en savoir plus sur la SM du record de vitesse :
viewtopic.php?t=10559
Re: Le musée C114
Publié : mer. 15 oct. 2025 21:41
par maseramo
La SM présidentielle a été réalisée par les établissements Chapron en 1972 en deux exemplaires pour véhiculer la reine Elisabeth II d’Angleterre en visite en France. Ces deux autos ont transporté pendant plus de 20 ans les présidents français Georges Pompidou, Valery Giscard d’Estaing, François Mitterrand et Jacques Chirac, mais aussi le Pape Jean-Paul II et certaines têtes couronnées en visite à Paris. Elles sont toujours la propriété de l’Etat Français et je mettrai donc dans mon musée virtuel une réplique absolument incroyable de fidélité, réalisée en Suisse en 2008 et validée par la famille Chapron.
Pour en savoir plus sur les SM présidentielles :
viewtopic.php?t=11891
Re: Le musée C114
Publié : mer. 15 oct. 2025 21:50
par maseramo
Re: Le musée C114
Publié : mer. 15 oct. 2025 21:57
par maseramo
Une SM groupe 5 a forcément sa place dans ce musée, même si elle n'est pas la plus gracieuse !
Après la victoire d'une SM "normale"au rallye du Maroc 1971, Citroën avait décidé de réaliser une SM groupe 5 en 1972 en raccourcissant Sa Majesté de 60 cm (36 cm gagnés sur l’empattement et 24 sur le porte-à-faux arrière). Le moteur C114 restait en 2.7 litres mais la puissance passait de 170 à 250 cv.

- Citroën-SM-Gr5-2.jpg (87.41 Kio) Consulté 1465 fois
Pas jolie mais efficace !

- Citroën-SM-Gr5-3.jpg (95.75 Kio) Consulté 1465 fois

- Sans titre.png (130.44 Kio) Consulté 1465 fois
Pour plus de renseignements sur la SM groupe 5 et le proto Michelin :
viewtopic.php?t=10552
Re: Le musée C114
Publié : mer. 15 oct. 2025 22:00
par maseramo
Re: Le musée C114
Publié : mer. 15 oct. 2025 22:08
par maseramo

- AR.jpg (164.79 Kio) Consulté 1459 fois
La SM V8 de mon petit musée C114 est une reconstruction récente (2009) par les établissements Daunat (à Crespières dans le 78) de la SM expérimentale V8 4 litres de 1974 de l’ingénieur Giulio Alfieri. Une SM normale a servi de base, de même couleur rouge Rio que l'originelle, par contre le moteur V8 est celui d'origine, unique au monde, conservé précieusement toutes ces années à l’usine puis au musée Panini de Modène. C’est un C114 auquel on avait rajouté 2 cylindres. L’arbre au centre du V entraîné par la chaîne primaire et entrainant par des chaînes secondaires droite et gauche les quatre arbres à cames en tête : tout est identique au C114 mais avec deux cylindres de plus. Ce moteur de 4 litres délivre 280 cv. Il mesure seulement 10 cm de plus que le C114 V6.

- MOTEUR déposé.jpg (112.96 Kio) Consulté 1460 fois

- MOTEUR.jpg (141.46 Kio) Consulté 1460 fois

- 851445591.jpg (75.3 Kio) Consulté 1460 fois

- INT.jpg (109.07 Kio) Consulté 1459 fois
Il était prévu de d’installer ce beau V8 dans la SM en série et dans la Quattroporte II Bertone. La SM V8 de 1974 fut utilisée quotidiennement par Giulio Alfieri en 1974/1975 pour ses déplacements, ses voyages, testée sur l'autodromo di Modena, celui de Monza. Au total, plus de 15 000 km ont été effectués sans problème par Giulio Alfieri mais aussi par beaucoup de membres de son équipe. Alejandro De Tomaso, repreneur de Maserati l'été 1975 avec l'aide de l'Etat italien, exécrait Citroën et en voulait à Giulio Alfieri qui l'avait écarté au profit de la firme aux chevrons lors d'une tentative de rachat précédent en 1968. De Tomaso fusilla le projet Quattroporte II Bertone (qui était pourtant à maturité), limogea Giulio Alfieri et demanda la destruction de la SM V8 rouge de fonction-test de l'ingénieur déchu après que l'on ait déposé et remisé son moteur V8 avec les pièces de collection de l'usine Maserati.
Pour plus d’informations sur la SM V8 :
http://www.maseratitude.com/viewtopic.php?f=12&t=3035
Re: Le musée C114
Publié : mer. 15 oct. 2025 22:17
par maseramo
La SM plateau Tissier. En 1977, la société Pierre Tissier, spécialisée dans la construction de dépaneuses sur base Citroën DS ou CX, réalise un exemplaire sur base SM avec 4 places et 10 roues indépendantes à suspension hydropneumatique. Notre musée s’offre allègrement cet exemplaire unique, restauré et amélioré mécaniquement par Jean Michel Gallet.
Ci-dessus la SM plateau Tissier transportant la SM Frua unique au monde.

- T58467.jpg (43.22 Kio) Consulté 1456 fois

- T58472.jpg (38.9 Kio) Consulté 1456 fois
Ci-dessus la SM plateau Tissier transportant une SM2.
Re: Le musée C114
Publié : mer. 15 oct. 2025 22:21
par maseramo
Une SM2.
A Mussy-sur Seine, l’excellent Jean-Michel Gallet, fort de son expérience colossale de recondionnement-restauration de près de 300 moteurs C114, a eu l’idée de faire un restomod sur base SM, c’est-à-dire de proposer en 2018 une SM classique d’allure mais très modernisée mécaniquement (pistons forgés, durites hydrauliques en cuivre et placées dans les longerons ainsi que le câblage électrique et les durites d’essence pour les éloigner de la chaleur de l’échappement, guides de soupapes en bronze, chaînes de distribution prétensionnées avec tendeur hydraulique sur la chaîne primaire, gestion électronique programmable de l’allumage et de l’injection, même puissance 177 cv mais plus disponible, jantes en 17 pouces en aluminium reprenant le dessin des anciennes jantes optionnelles en résine, Pneus Michelin Pilot Sport 4 , batterie transférée à l’arrière, radiateur en aluminium et reculé, 5 ième vitesse allongée, 1330 kg soit un gain de poids de 120 kg …)

Bref, la SM modernisée et fiabilisée, telle qu’elle sortirait aujourd’hui, un vrai bijou patiemment réalisé par Jean-Michel Gallet, son frère Laurent et son fils Nicolas.
Pour en savoir plus sur la SM2 :
Re: Le musée C114
Publié : mer. 15 oct. 2025 22:24
par maseramo
Eh bien chers amis, nous avons parcouru ce beau plateau quasiment exhaustif des différents modèles de Citroën SM, soit 13 exemplaires tous mus par le C114 :
- Une SM “de base”
- Une SM Mylord
- Une SM Opera
- La SM Espace Heuliez
- La SM du record de vitesse avec son pick up SM
- La SM présidentielle (reconstruction)
- La SM Frua
- Une SM Groupe 5
- La SM Proto Michelin
- La SM V8 de l’ingénieur Giulio Alfieri (reconstruction avec le moteur originel)
- La SM plateau Tissier
- Une SM2
Penchons-nous désormais sur la Maserati Merak qui recevait en 1972 le C114 retourné de 180 degrés, disques accolés in-board contre la boite de vitesse qui disposait d’un inverseur :

- Sans titre.png (326.19 Kio) Consulté 1449 fois
A part l'inverseur, tout pareil sur la Merak, disques in board, demi arbres sortant entre le moteur et la boite.
Avec son moteur V6 C114 poussé à 2.9 litres et 190 cv puis 220 cv sur SS, cette Merak représentait une alternative plus économique et moins gourmande à la Bora disposant d’un V8 4.7 litres ou 4.9 litres dans une carrosserie presque identique de berlinette à moteur central arrière.

- 15621803-359470367760840-2445143619072047227-n.jpg (25.35 Kio) Consulté 1452 fois
Allez, avanti ! Je vous emmène découvrir les quatre Merak du musée C114 :
- Une Maserati Merak 2.9
- Une Maserati Merak SS tableau de bord Bora
- Une Maserati Merak 2000
- La Merak Turbo
Re: Le musée C114
Publié : mer. 15 oct. 2025 22:38
par maseramo
Poursuivons la visite de notre musée C114 avec une Merak de première série de 1973 à 1975, avec le tableau de bord de la SM. Les arcs boutants latéraux arrière allègent la ligne par rapport à la Bora et identifient la Merak au premier coup d’œil.

- 145928415.jpg (75.88 Kio) Consulté 1448 fois

- 8143804741.jpg (42.38 Kio) Consulté 1448 fois

- maserati_merak_1973_108.jpg (68.9 Kio) Consulté 1448 fois
Pour plus de renseignement sur la Merak :
http://www.maseratitude.com/viewtopic.php?f=12&t=2434
Re: Le musée C114
Publié : mer. 15 oct. 2025 22:43
par maseramo
Notre musée possède aussi l'une des dernières Merak SS (C114 poussé à 220 cv), celle-ci avec le tableau de bord des Bora.

- Sans titre.png (633.02 Kio) Consulté 1447 fois
Les deux petites places d'appoint à l'arrière ne sont utilisables que par de petites enfants.
Re: Le musée C114
Publié : mer. 15 oct. 2025 22:49
par maseramo
La Merak 2000 Oro Longchamp que mon ami Henri Braquet prête très gentiment au musée C114.
Le tableau de bord est celui des Merak SS non TDB Bora, mais avec le tachymètre et le compte tour ovale de la SM. Le tissu à careaux est hyper seventies
En 1977, Maserati proposa cette Merak 2000 car la TVA italienne était passée en 1975 à 38 % au-delà de 2 litres de cylindrée contre 19 % jusqu’à 2 litres inclus. En diminuant l’alésage et la course, le C114 cuba alors 1999 cc et délivra 170 cv à 7000 tr/mn autorisant un peu plus de 215 km/h.