On accède très facilement à cette boite à fusible, au pied du passager, on soulève la moquette, on se trouve face à une plaque de protection métal tenue par 4 vis cruciformes (ou moins) et la boite est derrière.

Voici le détail des fusibles avec leur fonction. Notez que l'outil jaune au dessus du fusible n°1 est une pince bien pratique pour oter les fusibles.


Au centre, en vert sur l'image, en noir sur ma voiture, on retrouve l'IGE electronic module, dont on ne s'occupera pas ici.
A droite, une deuxième série de fusible.

A partir de là, vous devriez pouvoir trouver quel fusible/relais est responsable de la panne que vous présentez.
En général...
Parfois, c'est plus compliqué, les fusibles sont bons, mais le courant n'arrive pas où il devrait.
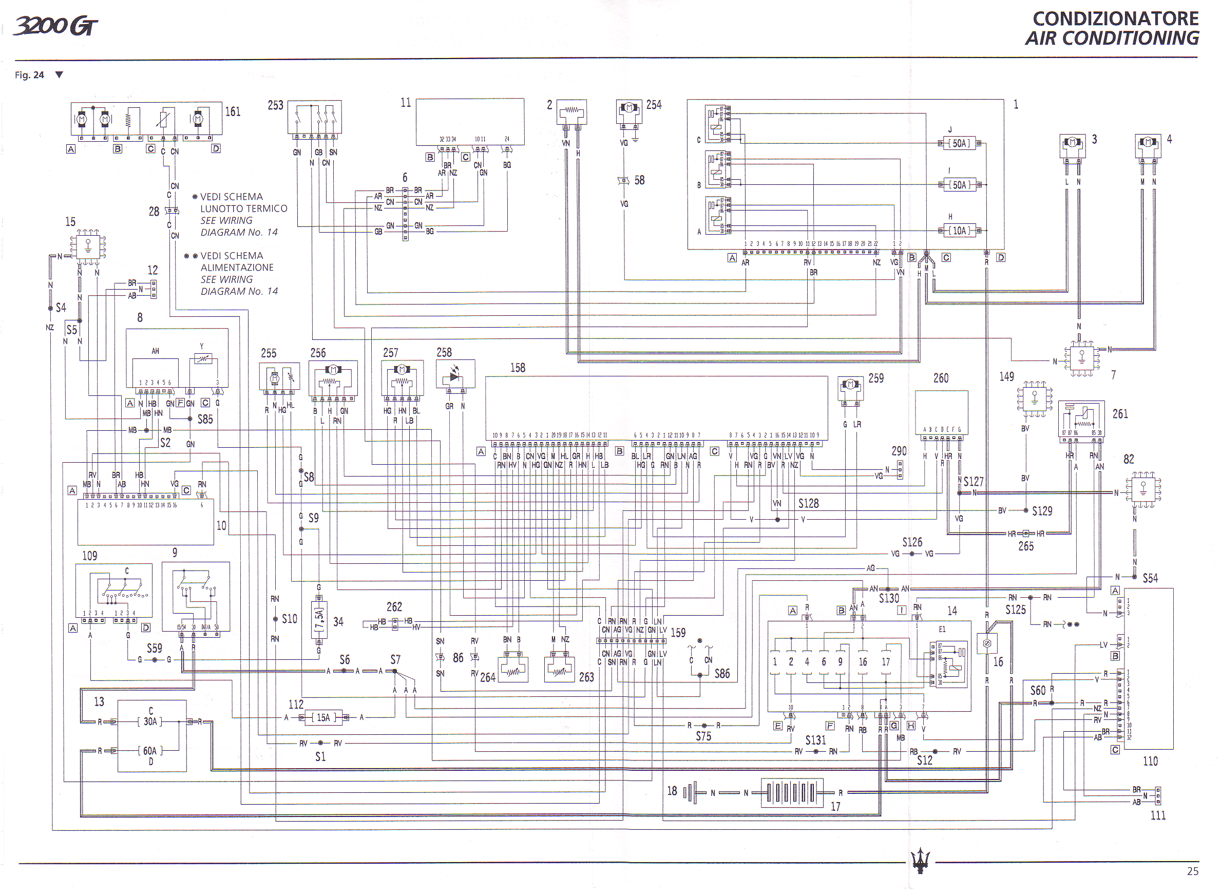
Vous pouvez vous amuser à utiliser les diagrammes electroniques si vous voulez vraiment comprendre comment tout ce petit monde interagit. Ce n'est pas très compliqué (dit-il).
Ici par exemple la partie qui concerne la ventilation. Si vous avez besoin d'autres diagrammes, demandez, on pourra les poster. Mais on a dit qu'on allait parler de la boite à fusible.
Depuis les premières biturbos, elles ont bien évolué, on ne va pas se plaindre, mais reste relativement sensible si elles se trouvent régulièrement aspergée de liquide de refroidissement (ce qui peut arriver si vous avez une fuite au niveau du radiateur de chauffage, me demandez pas comment je le sais
Donc, le comportement de votre boite à fusible ne semble pas normal, le courant ne va pas là où il devrait?
Qu'à cela ne tienne, on va démonter
C'est assez simple, on dévise l'écrou de 8 qui la maintient en place, et on débranche toutes les fiches situées à l'arrière.
Pas d'inquiétude, elles sont toutes différentes, et il est donc impossible de se tromper au remontage.

Voilà donc la boite à fusible libérée du véhicule.

On commence par enlever tous les fusibles et le relais, sans cela impossible de l'ouvrir.
Ensuite, on dévise les 4 petites vis cruciformes aux 4 coins pour examiner l'intérieur, la boite s'ouvre en deux et on peut facilement faire sortir son contenu (Fond au dessus, contenu au centre et face en dessous).

La partie centrale est composée de 4 feuilles séparées supportant les pistes électriques. Pour démonter cette partie, il faut d'abord enlever tous les connecteurs porte-fusibles/relais insérés sur chaque pin. Ca se fait plus ou moins bien, en fonction de l'oxydation.
Les connecteurs pour fusible,

et ceux des relais sont enlevés.

Il est temps maintenant de séparer les 4 parties, elles sont simplement emboitées l'une dans l'autre et se désolidarisent aisément.

On peut maintenant examiner chaque circuit aisément. Et on constate le genre de dégâts qu'un peu de liquide de refroidissement peu faire à cet endroit. Ca oxyde, ça crée de nouvelles connections...


Bien entendu, ça ne peut que marcher moins bien...

Quà cela ne tienne, on commence par sécher tout le liquide restant encore dans la boite et puis on nettoie.
Rien de tel qu'une bonne bombe de nettoyant contact.

Faut pas avoir peur d'y aller joyeusement (en extérieur, parce que on en met partout), ça nettoie vraiment bien (j'avais essayé un peu d'alcool ménager mais c'était moins convaincant).
Une fois tout bien nettoyé et séché, on remonte. Les quatre plaques sont numérotées, on ne peut donc se tromper dans le sens de remontage.
On remet les connecteurs, dans le même sens que lors du retrait, c'est mieux.

On referme la boite, replace les fusibles (les bons fusibles à la bonne place, ne mélangez pas tout) et il suffit de rebrancher la boite dans la voiture.

Dans mon cas, j'ai du changer le relais qui ne s'enclenchait plus, étrangement, je l'avais déjà tenté de le remplacer avant le démontage et ça n'avait rien changé, peut-être qu'à force de le mettre et le retirer je l'ai endommagé, allez savoir. M'enfin, maintenant que tout fonctionne, je ne peux pas me plaindre.
Voilà, je ne sais pas si tout ceci servira un jour à quelqu'un, mais au cas où, c'est documenté.

