Album SM
- maseramo
- W18
- Messages : 14127
- Inscription : dim. 8 janv. 2012 11:00
- Localisation : 83
- Localisation : Saint-Raphaël (Var)
Album SM
Voici regroupées les "perles du net" d'une année concernant la merveilleuse SM (plus quelques petits compléments), une véritable immersion dans l'univers de cette voiture très spéciale, qui ne ressemble à aucune autre.
"quando turbo spira ...", Dante Alighieri dans "La Divina Commedia"
- maseramo
- W18
- Messages : 14127
- Inscription : dim. 8 janv. 2012 11:00
- Localisation : 83
- Localisation : Saint-Raphaël (Var)
Re: Album SM
Belle dame française au cœur italien !
Faut dire que les unions franco-italiennes étaient assez à la mode à l'époque, Jean-Paul Belmondo convolait avec Laura Antonelli :
Catherine Deneuve avec Marcello Mastroiani :
Il en alla de même entre Citroën et Maserati !
Durant l’année 1967, par l’entremise de l’avocat romain Mario d’Urso, la firme Citroën contacta la famille Orsi (propriétaire de Maserati) pour commander l’étude et la réalisation d’un moteur V6 destiné à la future Citroën Sport. En moins de trois semaines, un prototype de moteur V6 Maserati fut réalisé "otto meno due" ("huit moins deux") en partant d'un V8 maison découpé. Cette réactivité extraordinaire séduisit la direction de Citroën. Ce moteur unique est toujours dans les réserves du musée Panini mais la version finale du V6 Maserati, le C114, aura une architecture très différente avec un arbre primaire de distribution dans le centre du V.
Ci-dessous le "Otto meno due" dont on reconnait les couvres arbres à cames du V8 tronçonnés avec l'inscription Maserati excentrée : Au mois de juillet 1967, les Orsi père et fils accompagnés de l'ingénieur Giulio Alfieri se rendirent à Paris au siège de Citroën, quai de Javel. Durant toute une journée écrasante de chaleur à la veille des congés annuels, devant 26 ingénieurs français septiques qui voyaient avec un a priori négatif cette intrusion étrangère, Giulio Alfieri détailla son projet de réalisation d’un moteur V6 très compact de 2.5 ou 2.7 litres et 170 cv destiné à prendre place en position centrale avant sous le capot du futur coupé Citroën S (S pour Spéciale ou Sport) qui, vaisseau amiral de la marque aux chevrons, se devait d’être une traction. A la fin de cette journée mémorable, Pierre Bercot, le patron de Citroën, conclut avec Adolfo Orsi l’accord de rachat en trois temps de Maserati par Citroën (60 % des parts en décembre 1967, 15 % en juin 1968 et les 25 % restants en juin 1971).
Omer Orsi restait à la direction commerciale de Maserati avec un directeur détaché de Citroën à Modène, l'excellent Guy Malleret. Bien sûr, Giulio Alfieri était maintenu dans ses prérogatives d’ingénieur en chef. Ce dernier se mit immédiatement au travail et créa le V6 de la SM (nom de code C114), ne conservant du V8 Maserati que l'angle d'ouverture à 90 degrés (alors que la plupart des V6 sont ouverts à 60 degrés) pour des raisons essentiellement d'encombrement en hauteur, le capot de la SM étant assez bas. Cet angle à 90 degrés se retrouvera sur toute la génération des V6 Maserati Biturbo mais c'est à peu près le seul point commun entre V8 ex 450S, V6 C114 et V6 Biturbo qui ont tous les trois des systèmes de distribution très différents.
Catherine Deneuve avec Marcello Mastroiani :
Il en alla de même entre Citroën et Maserati !
Durant l’année 1967, par l’entremise de l’avocat romain Mario d’Urso, la firme Citroën contacta la famille Orsi (propriétaire de Maserati) pour commander l’étude et la réalisation d’un moteur V6 destiné à la future Citroën Sport. En moins de trois semaines, un prototype de moteur V6 Maserati fut réalisé "otto meno due" ("huit moins deux") en partant d'un V8 maison découpé. Cette réactivité extraordinaire séduisit la direction de Citroën. Ce moteur unique est toujours dans les réserves du musée Panini mais la version finale du V6 Maserati, le C114, aura une architecture très différente avec un arbre primaire de distribution dans le centre du V.
Ci-dessous le "Otto meno due" dont on reconnait les couvres arbres à cames du V8 tronçonnés avec l'inscription Maserati excentrée : Au mois de juillet 1967, les Orsi père et fils accompagnés de l'ingénieur Giulio Alfieri se rendirent à Paris au siège de Citroën, quai de Javel. Durant toute une journée écrasante de chaleur à la veille des congés annuels, devant 26 ingénieurs français septiques qui voyaient avec un a priori négatif cette intrusion étrangère, Giulio Alfieri détailla son projet de réalisation d’un moteur V6 très compact de 2.5 ou 2.7 litres et 170 cv destiné à prendre place en position centrale avant sous le capot du futur coupé Citroën S (S pour Spéciale ou Sport) qui, vaisseau amiral de la marque aux chevrons, se devait d’être une traction. A la fin de cette journée mémorable, Pierre Bercot, le patron de Citroën, conclut avec Adolfo Orsi l’accord de rachat en trois temps de Maserati par Citroën (60 % des parts en décembre 1967, 15 % en juin 1968 et les 25 % restants en juin 1971).
Omer Orsi restait à la direction commerciale de Maserati avec un directeur détaché de Citroën à Modène, l'excellent Guy Malleret. Bien sûr, Giulio Alfieri était maintenu dans ses prérogatives d’ingénieur en chef. Ce dernier se mit immédiatement au travail et créa le V6 de la SM (nom de code C114), ne conservant du V8 Maserati que l'angle d'ouverture à 90 degrés (alors que la plupart des V6 sont ouverts à 60 degrés) pour des raisons essentiellement d'encombrement en hauteur, le capot de la SM étant assez bas. Cet angle à 90 degrés se retrouvera sur toute la génération des V6 Maserati Biturbo mais c'est à peu près le seul point commun entre V8 ex 450S, V6 C114 et V6 Biturbo qui ont tous les trois des systèmes de distribution très différents.
"quando turbo spira ...", Dante Alighieri dans "La Divina Commedia"
- maseramo
- W18
- Messages : 14127
- Inscription : dim. 8 janv. 2012 11:00
- Localisation : 83
- Localisation : Saint-Raphaël (Var)
Re: Album SM
Présentation au salon de Genève 1970, dans une ambiance un peu psychédélique :
L'album publicitaire est lui aussi un peu "space", l'air du temps sans doute :
L'album publicitaire est lui aussi un peu "space", l'air du temps sans doute :
"quando turbo spira ...", Dante Alighieri dans "La Divina Commedia"
- maseramo
- W18
- Messages : 14127
- Inscription : dim. 8 janv. 2012 11:00
- Localisation : 83
- Localisation : Saint-Raphaël (Var)
Re: Album SM
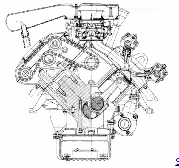
Les ingénieurs de Citroën avaient besoin d’un V6 extrêmement compact pour le loger sous le capot de la SM de façon centrale longitudinale entre la boîte de vitesse, en avant des roues avant, et l’habitacle. Ils furent ravis du résultat, le bloc V6 C114 de l'ingénieur Maserati Giulio Alfieri mesurant seulement 35 cm de long et, tout aluminium, le moteur pesant moins de 140 kg.
Dans une propulsion, la face avant du moteur est disponible pour entraîner les accessoires. Dans le cas du V6 de la SM, ce côté du moteur avec la distribution se retrouvait tourné vers l'habitacle. Il fallait trouver une solution pour amener une énergie motrice vers l'avant à destination des très nombreux accessoires Citroën, notamment la pompe haute pression pour le liquide LHM de suspension hydropneumatique et d'assistance haute pression des freins et de la direction.
Giulio Alfieri imagina l'architecture suivante : le vilebrequin entraînait à l'arrière, par une chaîne primaire, un arbre placé au centre du V. Cet arbre entraînait à son tour par deux autres chaînes secondaires droite et gauche les deux arbres à cames par rangée de cylindres qui ouvraient seulement deux soupapes par cylindre, comme sur le V8 classique Maserati. Les chaînes secondaires se trouvaient entre le premier et le deuxième cylindre d'un côté et entre le deuxième et le troisième cylindre de l'autre côté. Ainsi, la même culasse pouvait être adaptée sur le banc droit ou le banc gauche sur simple rotation de 180 degrés. C'était là un réel avantage du système : une limitation du nombre de pièces à usiner et donc des coûts de fabrication. De plus, l'arbre au centre du V entraînait vers l'avant, au dessus de la boîte de vitesse, la pompe haute pression mais aussi l'alternateur et le compresseur de climatisation.
Après avoir mû la SM en version 2.7 litres (170 cv en carburateur puis 180 cv en injection), ce noble V 6 sera placé en position centrale arrière dans la Ligier JS 2 et dans la Maserati Merak en version 2.9 litres (205 à 220 cv) puis dans la Merak 2000 en version 2 litres (170 cv).
Le V est ouvert à 90 degrés, et non à 60 comme dans un V6 classique, afin de diminuer la hauteur du moteur et d’abaisser au maximum le capot.
On voit ci-dessous le petit arbre noir sortant du centre du V pour entraîner la pompe haute pression du liquide LHM et les sphères LHM vertes pour l'assistance suspensions, freins et direction
Le moteur C114 de la SM se retrouva aussi dans la Merak, retourné à 180 degrés et passant de central-avant sur la SM à central-arrière sur la Merak :
Dans une propulsion, la face avant du moteur est disponible pour entraîner les accessoires. Dans le cas du V6 de la SM, ce côté du moteur avec la distribution se retrouvait tourné vers l'habitacle. Il fallait trouver une solution pour amener une énergie motrice vers l'avant à destination des très nombreux accessoires Citroën, notamment la pompe haute pression pour le liquide LHM de suspension hydropneumatique et d'assistance haute pression des freins et de la direction.
Giulio Alfieri imagina l'architecture suivante : le vilebrequin entraînait à l'arrière, par une chaîne primaire, un arbre placé au centre du V. Cet arbre entraînait à son tour par deux autres chaînes secondaires droite et gauche les deux arbres à cames par rangée de cylindres qui ouvraient seulement deux soupapes par cylindre, comme sur le V8 classique Maserati. Les chaînes secondaires se trouvaient entre le premier et le deuxième cylindre d'un côté et entre le deuxième et le troisième cylindre de l'autre côté. Ainsi, la même culasse pouvait être adaptée sur le banc droit ou le banc gauche sur simple rotation de 180 degrés. C'était là un réel avantage du système : une limitation du nombre de pièces à usiner et donc des coûts de fabrication. De plus, l'arbre au centre du V entraînait vers l'avant, au dessus de la boîte de vitesse, la pompe haute pression mais aussi l'alternateur et le compresseur de climatisation.
Après avoir mû la SM en version 2.7 litres (170 cv en carburateur puis 180 cv en injection), ce noble V 6 sera placé en position centrale arrière dans la Ligier JS 2 et dans la Maserati Merak en version 2.9 litres (205 à 220 cv) puis dans la Merak 2000 en version 2 litres (170 cv).
Le V est ouvert à 90 degrés, et non à 60 comme dans un V6 classique, afin de diminuer la hauteur du moteur et d’abaisser au maximum le capot.
On voit ci-dessous le petit arbre noir sortant du centre du V pour entraîner la pompe haute pression du liquide LHM et les sphères LHM vertes pour l'assistance suspensions, freins et direction
Le moteur C114 de la SM se retrouva aussi dans la Merak, retourné à 180 degrés et passant de central-avant sur la SM à central-arrière sur la Merak :
"quando turbo spira ...", Dante Alighieri dans "La Divina Commedia"
- maseramo
- W18
- Messages : 14127
- Inscription : dim. 8 janv. 2012 11:00
- Localisation : 83
- Localisation : Saint-Raphaël (Var)
Re: Album SM
Le président Georges Pompidou et la reine d'Angleterre :
Le couple royal en visite à Paris :
Jacques Chirac en 1995 :
Jacques Chirac en 1995 :
"quando turbo spira ...", Dante Alighieri dans "La Divina Commedia"
- maseramo
- W18
- Messages : 14127
- Inscription : dim. 8 janv. 2012 11:00
- Localisation : 83
- Localisation : Saint-Raphaël (Var)
Re: Album SM
Pureté indéniable de ce dessin de Robert Opron
Robert Opron, designer de la SM, est aussi le père des Citroën DS seconde série, GS et CX, des Renault Fuego et 25. Ci-dessous à l'époque avec une maquette de GS :
Robert Opron, designer de la SM, est aussi le père des Citroën DS seconde série, GS et CX, des Renault Fuego et 25. Ci-dessous à l'époque avec une maquette de GS :
"quando turbo spira ...", Dante Alighieri dans "La Divina Commedia"
- maseramo
- W18
- Messages : 14127
- Inscription : dim. 8 janv. 2012 11:00
- Localisation : 83
- Localisation : Saint-Raphaël (Var)
Re: Album SM
Fake news ! C'est un photo montage, James Bond s'appuyait sur une Aston 
"quando turbo spira ...", Dante Alighieri dans "La Divina Commedia"
- maseramo
- W18
- Messages : 14127
- Inscription : dim. 8 janv. 2012 11:00
- Localisation : 83
- Localisation : Saint-Raphaël (Var)
Re: Album SM
Maintenant les SM au boulot
De quoi déclencher des vocations :
Unité Rapide d'Intervention Chimique en cas d'accident impliquant un camion transportant des produits dangereux :
Brigade d'intervention rapide de la Gendarmerie :
De quoi déclencher des vocations :
Unité Rapide d'Intervention Chimique en cas d'accident impliquant un camion transportant des produits dangereux :
Brigade d'intervention rapide de la Gendarmerie :
"quando turbo spira ...", Dante Alighieri dans "La Divina Commedia"
- maseramo
- W18
- Messages : 14127
- Inscription : dim. 8 janv. 2012 11:00
- Localisation : 83
- Localisation : Saint-Raphaël (Var)
Re: Album SM
Une grosse bosseuse, la SM plateau Tissier :
Après avoir frôlé la casse, elle a retrouvé une seconde vie grâce à l'excellent Jean-Michel Gallet : Clou du clou, elle transporte la Maserati Quattroporte II Bertone qui était une SM à 4 portes :
Après avoir frôlé la casse, elle a retrouvé une seconde vie grâce à l'excellent Jean-Michel Gallet : Clou du clou, elle transporte la Maserati Quattroporte II Bertone qui était une SM à 4 portes :
"quando turbo spira ...", Dante Alighieri dans "La Divina Commedia"
- maseramo
- W18
- Messages : 14127
- Inscription : dim. 8 janv. 2012 11:00
- Localisation : 83
- Localisation : Saint-Raphaël (Var)
Re: Album SM
Parmi les SM spéciales, il y a bien eu quelques exemplaires de la berline Citroën SM Opera :
mais il était plus intéressant pour le groupe Citroën-Maserati de la vendre sous le nom Maserati Quattroporte revêtue d'un robe signée Marcello Gandini pour Bertone :
Autre SM spéciale, le cabriolet Mylord par le carrossier Henri Chapron : Et puis bien sûr la célèbre SM présidentielle, réalisée elle aussi par Chapron :
Autre SM spéciale, le cabriolet Mylord par le carrossier Henri Chapron : Et puis bien sûr la célèbre SM présidentielle, réalisée elle aussi par Chapron :
"quando turbo spira ...", Dante Alighieri dans "La Divina Commedia"
- Domi13
- V12
- Messages : 3353
- Inscription : dim. 15 mars 2015 16:51
- Localisation : 13
- Localisation : Marseille
Re: Album SM
Grazie Alido,
On dit que SM sont les initiales de « sa majesté » ?
Dominique
On dit que SM sont les initiales de « sa majesté » ?
Dominique
- maseramo
- W18
- Messages : 14127
- Inscription : dim. 8 janv. 2012 11:00
- Localisation : 83
- Localisation : Saint-Raphaël (Var)
Re: Album SM
Ciao Domi, c'est effectivement ainsi que l'on surnomme la SM, parlant d'elle à la troisième personne (Sa) et évoquant sa noblesse (Majesté) ! Mais moins poétiquement et moins révérencieusement, pour les décideurs de Citroën, c'était SM pour Citroën "Sport Maserati". 
"quando turbo spira ...", Dante Alighieri dans "La Divina Commedia"
- maseramo
- W18
- Messages : 14127
- Inscription : dim. 8 janv. 2012 11:00
- Localisation : 83
- Localisation : Saint-Raphaël (Var)
Re: Album SM
Chère SM ! Présentée au salon de Genève 1970, il s’agit certainement de l’une des voitures, peut-être même de la voiture la plus moderne de son époque : traction avant, suspensions hydropneumatiques, freins à assistance haute pression, direction avec retour automatique au centre, phares directionnels, carrosserie "fastback" controversée mais résolument avant-gardiste avec son avant beaucoup plus large que l’arrière afin d’assurer au mieux la motricité et la directivité de l’engin. La sécurité et la tenue de route de cette voiture étaient très au dessus des normes de l'époque. Une fois la longue portière ouverte, on restait bouche bée devant le poste de pilotage très futuriste, la lente vague du tableau de bord, les cadrans, ovales ainsi que le volant à une seule branche, les sièges "hamac" avec leurs petites lamelles transversales sans séparation franche entre la portion horizontale et celle verticale, la pédale de frein ronde et sans course, telle un gros bouton.
On avait manifestement lâché la bride aux stylistes qui avaient réalisé, à l'intérieur comme à l'extérieur, un vaisseau résolument tourné vers l'avenir, la course à la modernité et au progrès. En cela la SM était parfaitement en phase avec son époque caractérisée par un optimisme et une confiance à toute épreuve.
En France en 1970, il n’y avait plus d’industrie automobile de luxe. Aucun équivalent gaulois aux Ferrari, Maserati, Lamborghini, De Tomaso et autres Bizzarini et Iso Rivolta. Malgré son brillant palpitant italien, la Citroën SM constituait le fleuron de l'industrie automobile française, la première véritable voiture de luxe hexagonale depuis l'extinction des Bugatti, Delahaye et Facel-Vega et la dernière avant les éphémères Venturi qui apparaîtront fugacement quinze ans plus tard. En bref, une vraie perle au milieu de trente ans d'ordinaire (Alpine exceptée). La SM fut l'un des trois symboles forts du prestige de la France avec le paquebot France et l'avion supersonique Concorde. Elle incarna une certaine (haute) idée de la France et tout patron français digne de ce nom s’empressa d'en acquérir une en remplacement de sa vieillissante DS 21 Pallas. Son succès fut ainsi tout à fait honorable avec 12 290 exemplaires vendus de 1970 à 1975.
En France en 1970, il n’y avait plus d’industrie automobile de luxe. Aucun équivalent gaulois aux Ferrari, Maserati, Lamborghini, De Tomaso et autres Bizzarini et Iso Rivolta. Malgré son brillant palpitant italien, la Citroën SM constituait le fleuron de l'industrie automobile française, la première véritable voiture de luxe hexagonale depuis l'extinction des Bugatti, Delahaye et Facel-Vega et la dernière avant les éphémères Venturi qui apparaîtront fugacement quinze ans plus tard. En bref, une vraie perle au milieu de trente ans d'ordinaire (Alpine exceptée). La SM fut l'un des trois symboles forts du prestige de la France avec le paquebot France et l'avion supersonique Concorde. Elle incarna une certaine (haute) idée de la France et tout patron français digne de ce nom s’empressa d'en acquérir une en remplacement de sa vieillissante DS 21 Pallas. Son succès fut ainsi tout à fait honorable avec 12 290 exemplaires vendus de 1970 à 1975.
"quando turbo spira ...", Dante Alighieri dans "La Divina Commedia"
- maseramo
- W18
- Messages : 14127
- Inscription : dim. 8 janv. 2012 11:00
- Localisation : 83
- Localisation : Saint-Raphaël (Var)
Re: Album SM
L'été 1974 on commençait à reprendre confiance après la crise pétrolière de 1973, l'ingénieur Giulio Alfieri expérimenta alors un moteur V8 de 4 litres inédit créé à partir du moteur V6 de 3 litres C114 de Merak SS auquel on avait rajouté deux cylindres. On obtenait un V8 de 4 litres et 280 cv. Ce moteur V8, plus long de 10 cm que son collègue V6 fut placé à l'époque (1974) dans une SM rouge Rio en abattant au centre la cloison anti-feu. Toute la disposition en avant restait identique par rapport à la SM V6 avec le petit arbre branché sur l'arbre primaire du centre du V qui entraîne vers l'avant tous les accessoires / pompes à huile LHM haute pression pour la suspension hydropneumatique, les assistances haute pression des freins et de la direction. Cette voiture fut utilisée quotidiennement par Giulio Alfieri en 1974/1975 pour ses déplacements, ses voyages, testée sur l'autodromo di Modena, celui de Monza. Au total, plus de 15 000 km ont été effectués sans problème par Giulio Alfieri mais aussi par beaucoup de membres de son équipe. Alfieri, sceptique avant cette réalisation et attaché au bon vieux V8 maison, changea d'idée du tout au tout. Le châssis excellent de la SM arrivait étonnement à faire passer assez correctement la puissance sur les roues avant et la berline Quattroporte II, avec son poids accru et son empattement allongé à 3.07 m, aurait assurément été merveilleusement animée par ce beau V8.
L'histoire plus détaillée de cette SM V8 :
viewtopic.php?f=12&t=3035
L'histoire de la Quattroporte II Bertone :
viewtopic.php?f=12&t=3048
Mais c'est alors que Citroën, racheté par Peugeot et sous sa demande expresse, mettait Maserati en liquidation judiciaire en mars 1975 et stoppait la production de la SM. Alejandro De Tomaso, repreneur de Maserati l'été 1975 avec l'aide de l'Etat italien, exécrait Citroën et en voulait à Giulio Alfieri qui l'avait écarté au profit de la firme aux chevrons lors d'une tentative de rachat précédent en 1968. De Tomaso limogea Giulio Alfieri (qui se consola en prenant la direction technique de Lamborghini), fusilla le projet Quattroporte II Bertone (qui était pourtant à maturité) et demanda la destruction de la SM V8 rouge (!!! folie!!!) de l'ingénieur déchu après que l'on ait enlevé et remisé son moteur V8 avec les pièces de collection de l'usine Maserati. C'est ainsi que bien plus tard, dans les années 90, ce noble moteur artisanal se retrouva dans la collection Panini qui reprit et conserva religieusement tous ces trésors du patrimoine industriel et artistique Maserati.
Ainsi s'acheva tristement l'épopée des SM-Quattroporte II qui promettait pourtant de beaux succès en V6 ou V8 au choix du clients.
La SM ?
Encore aujourd'hui, 53 ans après sa naissance, elle reste un excellent moyen de voyager confortablement, en sécurité et avec classe !
L'histoire plus détaillée de cette SM V8 :
viewtopic.php?f=12&t=3035
L'histoire de la Quattroporte II Bertone :
viewtopic.php?f=12&t=3048
Mais c'est alors que Citroën, racheté par Peugeot et sous sa demande expresse, mettait Maserati en liquidation judiciaire en mars 1975 et stoppait la production de la SM. Alejandro De Tomaso, repreneur de Maserati l'été 1975 avec l'aide de l'Etat italien, exécrait Citroën et en voulait à Giulio Alfieri qui l'avait écarté au profit de la firme aux chevrons lors d'une tentative de rachat précédent en 1968. De Tomaso limogea Giulio Alfieri (qui se consola en prenant la direction technique de Lamborghini), fusilla le projet Quattroporte II Bertone (qui était pourtant à maturité) et demanda la destruction de la SM V8 rouge (!!! folie!!!) de l'ingénieur déchu après que l'on ait enlevé et remisé son moteur V8 avec les pièces de collection de l'usine Maserati. C'est ainsi que bien plus tard, dans les années 90, ce noble moteur artisanal se retrouva dans la collection Panini qui reprit et conserva religieusement tous ces trésors du patrimoine industriel et artistique Maserati.
Ainsi s'acheva tristement l'épopée des SM-Quattroporte II qui promettait pourtant de beaux succès en V6 ou V8 au choix du clients.
La SM ?
Encore aujourd'hui, 53 ans après sa naissance, elle reste un excellent moyen de voyager confortablement, en sécurité et avec classe !
"quando turbo spira ...", Dante Alighieri dans "La Divina Commedia"
- CBi
- V12
- Messages : 2713
- Inscription : jeu. 22 nov. 2018 17:11
- Localisation : 0
- Localisation : Japon
- Contact :
Re: Album SM
MQP V Executive GT - Membre du MC of Japan - Golden Member de toute l'Asie-Pacifique POA - Instagram : cbi_maserati
- maseramo
- W18
- Messages : 14127
- Inscription : dim. 8 janv. 2012 11:00
- Localisation : 83
- Localisation : Saint-Raphaël (Var)
Re: Album SM
Grazie CBi, très belles 
"quando turbo spira ...", Dante Alighieri dans "La Divina Commedia"
- Gilles l’helvète
- V6
- Messages : 775
- Inscription : dim. 15 août 2021 16:56
- Localisation : 0
Re: Album SM
Quel reportage et quel voyage dans le temps!!!!!!
Merci Alido.
Merci Alido.
Ghibli (III) nov. 2017, S Q4 GranLusso (couleur champagne, intérieur sable)
http://maseratitude.com/public_html/vie ... =27&t=9090
Jaguar XJS coupé Celebration, 1996 (vert)
Toyota Picnic 2.0, 2000 (vert)
http://maseratitude.com/public_html/vie ... =27&t=9090
Jaguar XJS coupé Celebration, 1996 (vert)
Toyota Picnic 2.0, 2000 (vert)
- Lodein
- V8
- Messages : 1554
- Inscription : lun. 19 avr. 2021 19:29
- Localisation : 16
- Localisation : Charente
Re: Album SM
Assez étonnamment, la SM invite vraiment à attaquer et rouler fort.
Je vous remet ce que j'avais écrit pour le club SM
viewtopic.php?t=8699&hilit=XJC&start=40
Lodein
Je vous remet ce que j'avais écrit pour le club SM
viewtopic.php?t=8699&hilit=XJC&start=40
Lodein
