Le chant de cygne des années 80

C'est ici qu'on présente nos voitures
gemini
W16
Messages : 8756
Inscription : lun. 20 juin 2011 23:01
Localisation : Hainaut, Belgique

Re: Le chant de cygne des années 80

Message par gemini »

Journée instructive aujourd'hui.

1. On a confirmation que ce n'est pas à cause de la Maes que la shamal ne veut pas démarrer. Ceci dit, il y a un doute sur la chouffe. :lol:
2. Le régulateur n'était peut-être pas si HS que ça. :?
3. Quand on refait quelque chose que l'on a déjà fait, tout va beaucoup plus vite.
4. La Dordogne en MCV, ça doit pas être mal non plus. :oops:

Donc, ce n'est pas encore pour aujourd'hui, encore une de ces journées qui soulève plus de questions que de réponses...

Image


Tout avait bien commencé, Cooldent l'extincteur à la main surveille le nouveau régulateur, contact, la pression monte, démarrage, vroom, ça oscille entre 3 et 4 bars, le ralenti est stable, tout va bien, on va laisser chauffer.
Dans le doute, sans savoir si les ventilos vont bien se déclencher au moment opportun, on surveille la température avec le pistolet infrarouge.

Ca monte doucement, et on se rend compte que le radiateur de clim monte très fort en température (étrange). D'autant plus étrange que la clim est coupée. :shock:
Conclusion, le compresseur de clim s'enclenche tout seul. Ce qui a tendance à lancer le ventilo comme chacun le sait.
Ca ne vous rappelle rien ce ventilo qui se lance tout seul? :oops: A nouveau, j'ai probablement trouvé une panne où il n'y en a pas, et il est fort probable que le schéma de la ghibli et de la shamal diffère plus que l'on ne le pense. Ca promet. :?

Image


Bref, ce n'est même pas le soucis du jour car pendant que l'on regardait la température de ce radiateur, le moteur a commencé à refaire des ratés, et la pression à chuter. Pratique ce mano sur le régulateur, on voit bien la chute de pression. :oops:

Le moteur cale, on remet le contact, la pompe se lance (on entend bien) mais la pression ne remonte pas. :evil:
S'en suit divers dévissage pour regarder où il peut bien y avoir un obstacle, en sortie de réservoir, il y a de la pression, en sortie de filtre aussi, à l'arrivée dans le compartiment moteur aussi, ça devient vraiment bizarre cette affaire.

On purge les rampes, et à nouveau, pas mal d'air dans celle-ci. Une fois l'air purgé par les valves, à la remise au contact, la pression remonte, et il est de nouveau possible de faire tourner le moteur, pendant quelques instants.

Image

La seule explication trouvée pour le moment est que de l'air est envoyé dans le circuit et à un moment, sans que je comprenne encore pourquoi, il bloque le passage de l'essence. Je n'ai pas encore une théorie très solide sur le pourquoi du comment, mais il semble que ce problème arrive de temps en temps sur toute sorte de voitures différentes (en cherchant air in the fuel rails ou un truc du genre).

Le seul endroit d'où peut provenir l'air, c'est le réservoir, allons voir.
Il faut le vider, encore une fois, cette fois, on peut utiliser la pompe, on la branche en direct sur la batterie, après avoir retiré celle-ci du coffre (sécurité tout ça :oops: )
IMG_20220505_144624.jpg
Ca marche relativement bien, en fait ça prend pas mal de temps quand même. 120l/min, pour 20l, ça ne devrait faire que 10 minutes, mais 10 minutes, c'est long. Et surtout, il n'y a pas que de l'essence qui sort, ça bulle pas mal.
A priori, on a trouvé l'origine du problème.

Une vidéo, on entend la pompe (le truc qui fait bzuubzuubzuu) et derrière les bulles, on entend aussi que la pompe donne des à-coups, en lien avec les bulles.


youtu.be/7HeTGj_boBU

On ressort la pompe, tout en bien en place, le seul truc potentiellement problématique est la paille qui est sensé empêcher a fomration d'une bulle au sommet de la pompe, je l'avais poussée tout au fond du filtre, elle devait être juste sur le haut. Tout content, je pense avoir enfin trouvé le problème.
IMG_20220505_153008.jpg

Un petit message à Quentin qui me dit, "t'embête pas, bazarde tout, la paille, le support, attache ta pompe dans le fond sans rien et teste comme ça". Mais comme d'habitude, je n'en fais qu'à ma tête, je repositionne la paille, et hop, on remonte tout.

Image

Et en effet, même symptôme. :|

Regardons la pompe de plus prêt, j'ai fait un superbe schéma ( :oops: ).
IMG_20220505_205740__01.jpg

Notre hypothèse est donc que de l'air se forme sous la pompe, car elle aspire toute l'essence qu'il y a autour. Il y a trois petits trous à la base du bol qui permettent à l'essence de rentrer, mais par rapport au débit de la pompe, surtout vu qu'ils sont collés au fond (à tous les coups, il y avait un spacer pour limiter ce problème qui s'est désagrégé), ça ne suffit probablement pas, et donc la pompe aspire l'air via la paille. Je ne vois pas d'autre solution.

Et on comprend pourquoi déplacer la paille ne change rien.


Ceci dit, je constate que l'on est pas obligé d'enlever le réservoir pour bouger un peu la pompe, ça peut se faire in situ. Par contre impossible de retirer la pompe et son pourtour.
IMG_20220505_220029.jpg
Le gros avantage, c'est qu'il ne faut pas vider à nouveau le résevoir.
IMG_20220505_220128.jpg

Je me décide donc à enlever tout simplement la paille, si la pompe aspire par le trou du dessus, ce sera de l'essence cette fois.
Le trou en question.
IMG_20220505_153021.jpg

J'ai fait une vidéo pour la science, on voit beaucoup de bulle au début (normal, la conduite était pleine d'air, c'est le retour) mais par la suite, après quelque tours de clef, les bulles semblent disparaitre. Et surtout, on peut constater que la pompe ne fait plus du tout le même bruit, elle tourne de façon continue, et ne fait plus les à-coups comme juste avant.
On verra demain si ça marche.


youtu.be/YaghaPg_MWw
“What this button does is it turns carbon dioxide into noise.” J Clarkson
Merak - Biturbo SI - Shamal - Ghibli Cup 2800 - 3200GT AC - MC Victory
Avatar de l’utilisateur
Cooldent
V8
Messages : 1094
Inscription : mar. 2 avr. 2019 10:20
Localisation : 0
Localisation : Belgique (dans le fond du jardin de Gemini)

Re: Le chant de cygne des années 80

Message par Cooldent »

Image
Je croise les doigts mais si ça marche, la théorie de la Mars tient toujours :D
If you can't fix it with duct tape, you're not using enough duct tape!

ex 3200 GTA Giallo Granturismo import Japan Pikachu
Gransport Nero Carbonio 10th Anniversary Maserati - Cornes import Japan

Image
Avatar de l’utilisateur
plm
W18
Messages : 10331
Inscription : sam. 26 déc. 2015 12:43
Localisation : 51
Localisation : Muizon (Reims)

Re: Le chant de cygne des années 80

Message par plm »

NAN, stop with the gifs, la journée Star Wars, c’était mercredi:
4 mai, en anglais « may the fourth »... be with you. Etpicétou.

Un vrai jedi aurait déjà fait tourner l’auto à sa seule volonté.... :mrgreen:

Déjà, quand on sniffe de l’essence à la paille... la Chouffe ou la Maes n’y sont pour rien...
Biturbo Spyder 2.8
Ghibli II 2.8
Image
Image
SMART
V8
Messages : 1352
Inscription : jeu. 3 nov. 2011 10:16

Re: Le chant de cygne des années 80

Message par SMART »

Hum... Ne pas bouger il faut !

Bientôt là je serais...

Image
Avatar de l’utilisateur
Cooldent
V8
Messages : 1094
Inscription : mar. 2 avr. 2019 10:20
Localisation : 0
Localisation : Belgique (dans le fond du jardin de Gemini)

Re: Le chant de cygne des années 80

Message par Cooldent »

Je veux le même :o
If you can't fix it with duct tape, you're not using enough duct tape!

ex 3200 GTA Giallo Granturismo import Japan Pikachu
Gransport Nero Carbonio 10th Anniversary Maserati - Cornes import Japan

Image
gemini
W16
Messages : 8756
Inscription : lun. 20 juin 2011 23:01
Localisation : Hainaut, Belgique

Re: Le chant de cygne des années 80

Message par gemini »

C'est shamaldi!

J'étais motivé, mais pas trop, n'ayant pas envie d'un nouvel échec, je me suis dit qu'au lieu de regarder comment se comporte la pompe sans sa paille, il serait plus judicieux de me pencher sur les ventilos.
C'est bien beau d'avoir un moteur qui tourne, gavé d'essence, mais si rien ne le refroidit, c'est pas l'idéal.

Donc, on en reprend là où on en était resté, au lieu de bypasser le faisceau avec un câble, je me décide enfin à le démonter et voir pourquoi les choses ne vont pas.
IMG_20220507_114541 (1).jpg

De suite, ça fait quelques déchets.
IMG_20220507_171657.jpg

Et sans surprise, il y a des surprises. On a un relais en plus qui est planqué derrière le phare.
C'était pas prévu, je ne sais même pas si c'est d'origine ou monté par la suite, ceci dit, c'est un volvo, probablement un ajout, mais qui sait.
IMG_20220507_115031.jpg

Les soudures sont dégueulasses et simplement recouverte de tape, mais ce n'est pas le seul endroit où j'ai vu cela, pas exclu que ce soit fait comme ça à Modène. :oops:
IMG_20220507_114925.jpg

Bref, le schéma de la ghibli n'est pas le bon, celui de la biturbo non plus, même en déconnectant le pressostat et le thermoswitch du radiateur, si le compresseur de clim est enclenché ce relais permet d'activer les ventilateurs.

Et vu que le compresseur de clim est TOUJOURS enclenché sur ma shamal, ça explique pourquoi le ventilo tourne tout le temps.
Reste à voir pourquoi ce compresseur fait des siennes. Probablement une masse imprévue quelque part. Mais ce n'est pas le sujet du jour.
Et pour les mauvaises langues qui diraient qu'il est HS, c'est on ne peut plus faux. :twisted:
IMG_20220507_172845.jpg

Donc tout heureux d'avoir trouvé pourquoi le ventilateur tourne en permanence, je me décide aussi de m'occuper des phares, enfin retirer le film infame que les protège et regarder pourquoi l'ampoule de la veilleuse ne s'allume pas.
C'est dingue comme la shamal ressemble à la ghibli une fois que l'on a enlevé les phares. :shock:
IMG_20220507_135203.jpg

Ce n'était pas une mauvaise idée, une des vitres ne tenait plus, un petit coup de silicone, et c'est reparti pour trente ans.
IMG_20220507_155256.jpg

Je démonte donc la vitre de la veilleuse, découvrant par la même occasion que deux de mes vis en plastique qui tiennent le feu sont cassées (ça se trouve quelque part) Mais surtout : :shock:
IMG_20220507_142054.jpg

Voilà pourquoi la veilleuse ne s'allume pas, mais qu'est ce que c'est que ce bricolage :o
IMG_20220507_142405.jpg

Bon, j'ai pas la bonne ampoule ce sera pour la prochaine fois.


Bref, je remonte le tout, et passe à la suite.

Démarrage, ah ben tout de suite, ça marche mieux avec la pompe sans paille, ça tourne rond, et la pression est super stable (avant, elle avait tendance à jouer au yoyo sur une plage d'un bar, ici ça ne bouge plus). :D


youtu.be/Awx_w09hz6k


Je fais tourner 25 minutes, j'ai droit à un check engine qui ne part pas (bah tient, le contraire aurait été surprenant).
Je coupe pour mettre un nettoyant moteur dans l'huile, relance (elle démarre donc aussi à chaud :D ), et laisse tourner, tout en constatant que le check engine n'est plus là.

Vidange (de la si bonne huile qui n'a même pas fait 1m :? ) et nouveau filtre (du si bon filtre qui n'a même pas fait 1m :| ).
L'huile est plus noire que lors du remplissage, et aussi bien plus fluide, pour le même prix, j'étais bien brulé (bah tu t'attendais à quoi imbécile en faisant ta vidange avec une moteur à 80° :roll: ).

Bref, tout ce verbage pour vous dire que la bestiole a fait sa première sortie. :D
Les vitesses passent, elle freine, et le frein à main bloque (peut-être trop, faudra surveiller). re- :D

Pour le plaisir :


youtu.be/QTzEvETuWHA


Alors, il reste :

- trouver pourquoi le compresseur de clim est toujours actif (important)
- régler le soucis de la gauge de température et de celle d'essence (important)
- voir pourquoi le plafonnier ne s'allume pas (pas très grâve)
- installer un autoradio (ce serait bien)
- changer l'ampoule de la veilleuse (ce serait bien)

Et surtout, résoudre le mystère du fusible numéro 6. :evil:

Cette petite torpille de 8A crâme à chaque fois que j'allume mes phares.
Bon, on regarde dans le manuel, ça nous dit feu de brouillard arrière et réglage des phares.
IMG_20220507_204239.jpg

Sauf que, le fusible cramé, l'AB arrière, ça a pas l'air de le déranger :
IMG_20220507_203318 (1).jpg

Et ce ne sont pas les avant, ils fonctionnent aussi.
IMG_20220507_203524 (1).jpg

Intrigant... Je vais déconnecter le réglage des phares (j'imagine que c'est pour le réglage de l'assiette, au cas où je déciderai de lester le coffre avec des parpaings pour une meilleure adhérence sur la neige, je dois pouvoir vivre sans) et regarder si ça saute encore. Mais ça ne me dit pas pourquoi l'AB arrière fonctionne (ceci dit, tant mieux).

Voilà, c'est tout pour aujoud'hui, mais c'est plutôt pas mal.
Je vais probablement prévoir un essai sur route, mais pas demain, c'est fête des mères en Belgique. :oops:
“What this button does is it turns carbon dioxide into noise.” J Clarkson
Merak - Biturbo SI - Shamal - Ghibli Cup 2800 - 3200GT AC - MC Victory
Avatar de l’utilisateur
Cooldent
V8
Messages : 1094
Inscription : mar. 2 avr. 2019 10:20
Localisation : 0
Localisation : Belgique (dans le fond du jardin de Gemini)

Re: Le chant de cygne des années 80

Message par Cooldent »

Tout ça pour une paille :evil:
Bien content que ce soit réglé. Il ne reste plus que quelques menues bricoles.
Bravo pour le boulot accompli.
Image
If you can't fix it with duct tape, you're not using enough duct tape!

ex 3200 GTA Giallo Granturismo import Japan Pikachu
Gransport Nero Carbonio 10th Anniversary Maserati - Cornes import Japan

Image
Avatar de l’utilisateur
bay
W16
Messages : 7303
Inscription : sam. 1 août 2015 20:34
Localisation : 0
Localisation : Belgique
Contact :

Re: Le chant de cygne des années 80

Message par bay »

:Maze Maserati Granturismo S Aut. 4,7 V8 Blu Oceano / Sabbia # 47902 Ass. 48898 Engine 148469


le registre Gransport MC Victory

Jeremy Clarkson. "tout passionné d'automobile doit avoir eu une Alfa-Romeo au moins une fois dans sa vie"
Avatar de l’utilisateur
ChurchOfNoise
Bicylindre
Messages : 172
Inscription : lun. 28 févr. 2022 15:32
Localisation : 0
Localisation : Belgique

Re: Le chant de cygne des années 80

Message par ChurchOfNoise »

Image

Ceci doit être mon 'thread' favori de l'internet!
Très heureux de voir que ça avance!
Alex
2006 Maserati Gransport Spyder (Blu Nettuno / Cuoio)
gemini
W16
Messages : 8756
Inscription : lun. 20 juin 2011 23:01
Localisation : Hainaut, Belgique

Re: Le chant de cygne des années 80

Message par gemini »

Merci à vous. :D
Super le lien Bay, c'est exactement ce qu'il me faut.

ChurchOfNoise, tu as reçu ton autoradio?
“What this button does is it turns carbon dioxide into noise.” J Clarkson
Merak - Biturbo SI - Shamal - Ghibli Cup 2800 - 3200GT AC - MC Victory
Avatar de l’utilisateur
cureghem
V12
Messages : 3610
Inscription : mar. 20 nov. 2018 18:19
Localisation : 33
Localisation : bordeaux

Re: Le chant de cygne des années 80

Message par cureghem »

Génial ! Bravo gemini ;)
Alex
3200 gt BVM de 2000 dite Floflo, gris Alfieri, intérieur tabac, jantes assetto corsa, échappement modena
Shamal rouge 1991 dite Rosetta
Un petit félin (ford cougar v6 1999) et un GROS chat (jag XKR-s 2011)
Avatar de l’utilisateur
Uzy_Hoy
V12
Messages : 3228
Inscription : jeu. 5 mars 2020 16:45
Localisation : 0

Re: Le chant de cygne des années 80

Message par Uzy_Hoy »

Image
---------------------------
Light is Right
Ex Maserati and Cornes, Gransport 10th Anniversary
Vous n'êtes pas encore abonné au compte Instagram de Maseratitude ! C'est par ici !
Avatar de l’utilisateur
Lodein
V8
Messages : 1542
Inscription : lun. 19 avr. 2021 19:29
Localisation : 16
Localisation : Charente

Re: Le chant de cygne des années 80

Message par Lodein »

Bonne nouvelle, bravo pour tout ce travail, et courage pour les petites bricoles qui restent

Lodein
Avatar de l’utilisateur
FloNimes
V6
Messages : 639
Inscription : lun. 22 juin 2020 21:26
Localisation : 30
Localisation : Nimes

Re: Le chant de cygne des années 80

Message par FloNimes »

Bravo pour tout ce boulot, quel plaisir de voir les dernières vidéos !

Il reste deux jeudis complets d'ici le 26 mai...
Maserati 4200 Spyder
Mercedes SL500 R129
Honda Beat
106 S16

---
Ex 3200GT Argento Luna / Ex Gransport 10th anniversary (x2) / Ex Quattroporte V blu sebring / Ex Ghibli S blu emozione
Avatar de l’utilisateur
cureghem
V12
Messages : 3610
Inscription : mar. 20 nov. 2018 18:19
Localisation : 33
Localisation : bordeaux

Re: Le chant de cygne des années 80

Message par cureghem »

Tiens le franc vient de tomber comme on dit.
Tu dois encore la passer au ct et la faire immatriculer ?
Alex
3200 gt BVM de 2000 dite Floflo, gris Alfieri, intérieur tabac, jantes assetto corsa, échappement modena
Shamal rouge 1991 dite Rosetta
Un petit félin (ford cougar v6 1999) et un GROS chat (jag XKR-s 2011)
Avatar de l’utilisateur
plm
W18
Messages : 10331
Inscription : sam. 26 déc. 2015 12:43
Localisation : 51
Localisation : Muizon (Reims)

Re: Le chant de cygne des années 80

Message par plm »

gemini a écrit :C'est shamaldi!

.... (...... tendance à jouer au yoyo sur une plage d'un bar). :D
Alors, laisse moi te dire que tu iras jouer au yoyo sur la plage d’un bar (à priori au sud meme si à Dunkerque il y a probablement aussi des bars avec une plage pour jouer au yoyo).... quand tout ce bordel sera fini!!!!!!!!!!!! :lol:

Bon, félicitations quand même..... :D

Pour le compresseur, vu que ca doit être comme sur les autres, avec le bouton « eco », qui permet de l’arrêter (sinon il tourne
aussi tout le temps), n’y a t il pas encore un relais farceur, ou un fil à la con qui shunterait le bazar et empêcherait de passer en
mode éco???
Quand j’avais eu la panne de ventilation sur le spider (moteur cramé), il avait fallu démonter tout le tableau de bord et installer
un nouveau bloc de ventilation -trouvé d’occase, car sur eurospares, nib-, et quand je suis reparti, clim chargée, ca caillait fort....
Je ne connaissais pas le mode « éco » à l’époque. Il devait faire comme dans la chambre froide du Titanic dans l’habitacle.
Je mets le chauffage sur 20, puis 22, puis ...27, pour commencer à sentir de l’air tiède...
Jusqu’à ce que j’appelle un pote avec une biturbo qui m’explique....
Niveau conso et usure, d’ailleurs, je ne vois pas trop l’intérêt d’un accessoire qui tourne en permanence meme si pas besoin...
Biturbo Spyder 2.8
Ghibli II 2.8
Image
Image
Avatar de l’utilisateur
Dom3200
V8
Messages : 2163
Inscription : ven. 18 mars 2016 16:11
Localisation : 91
Localisation : Essonne

Re: Le chant de cygne des années 80

Message par Dom3200 »

Bravo pour les avancées ! Rrrrooo des veilleuses bleues 8-) elles iraient bien avec le potard dans le moteur ceci dit :lol:
Je confirme plm, sur la Racing aussi des qu on alume la ventilation, les ventilo moteur tournent à fond, même si le compresseur non vu que le circuit est vide. Le mode eco les arrête...
3200 GT Juil 2001 / RACING Nov 1991
Avatar de l’utilisateur
ChurchOfNoise
Bicylindre
Messages : 172
Inscription : lun. 28 févr. 2022 15:32
Localisation : 0
Localisation : Belgique

Re: Le chant de cygne des années 80

Message par ChurchOfNoise »

gemini a écrit :Merci à vous. :D
Super le lien Bay, c'est exactement ce qu'il me faut.

ChurchOfNoise, tu as reçu ton autoradio?
Oui, reçu mais le focus est d'abord sur le petit problème de pression d'huile :)
(j'espère avoir des nouvelles sur cela cette semaine...)

En tout cas, j'avais déjà trouvé un revu de quelqu'un au Royaume Uni qui en avait installé un dans sa GS (https://www.sportsmaserati.com/index.ph ... ost-875508 et le posts dessous, il y a aussi ce lien https://italianautotech.com/2020/03/19/ ... de-part-2/ )
Image
Alex
2006 Maserati Gransport Spyder (Blu Nettuno / Cuoio)
Avatar de l’utilisateur
Konimino2
W18
Messages : 10206
Inscription : mar. 25 avr. 2017 23:54
Localisation : 67

Re: Le chant de cygne des années 80

Message par Konimino2 »

Finalement tu as raison, tu peux bazarder toutes les autres, celle ci est suffisamment monstrueuse pour toutes.
gemini
W16
Messages : 8756
Inscription : lun. 20 juin 2011 23:01
Localisation : Hainaut, Belgique

Re: Le chant de cygne des années 80

Message par gemini »

J'ai un peu chipoté depuis samedi (pas grand chose ceci dit), et donc :

1. la jauge essence refonctionne, j'avais simplement mal rebranché (ou à l'envers, bref, ça marche en tout cas)

2. Peut-être que la sonde température va marcher, il est fort probable que le connecteur était foireux, mais je n'ai pas encore testé.

3. J'ai commandé une pioneer SPH-20DAB, enfin surtout trouvé une à vil prix sur 2ememain (le bon coin belge), 90€ encore sous garantie avec le ticket de caisse, c'est plus qu'honnête. Je sais que le son du moteur devrait être suffisant, mais j'aime bien profiter de mes playlists sur les longs trajets, et puis, ça permet de garder le téléphone chargé et waze allumé.
Faut que je commande une paire d'enceinte par ailleurs.

4. J'ai avancé sur le soucis de ventilation. Un peu, ou beaucoup.
D'abord, il est certain que le relais planqué derrière le phare est un ajout et non pas d'origine, cependant, j'ai trouvé un vieux doc maserati qui décrit une installation semblable le "tropical cooling mod".
_Tropical  Cooling Mod 7 MIE.jpg
Pour ceux d'entre vous qui habiteraient en Malaisie (ou notre ami brésilien que l'on ne voit plus, téléchargeable ici : https://we.tl/t-mmhFLIDt8N


Ca ne résout pas le problème.
J'ai vérifier l'embrayage du compresseur, il s'engage dès la mise de contact, quoi que je fasse.
Bien entendu, si je débranche le pressostat, ça le débraye (il est directement relié à celui-ci).

Je me demandais si le soucis ne venait pas de la centrale, mais même sans centrale de clim, le compresseur reste embrayé.
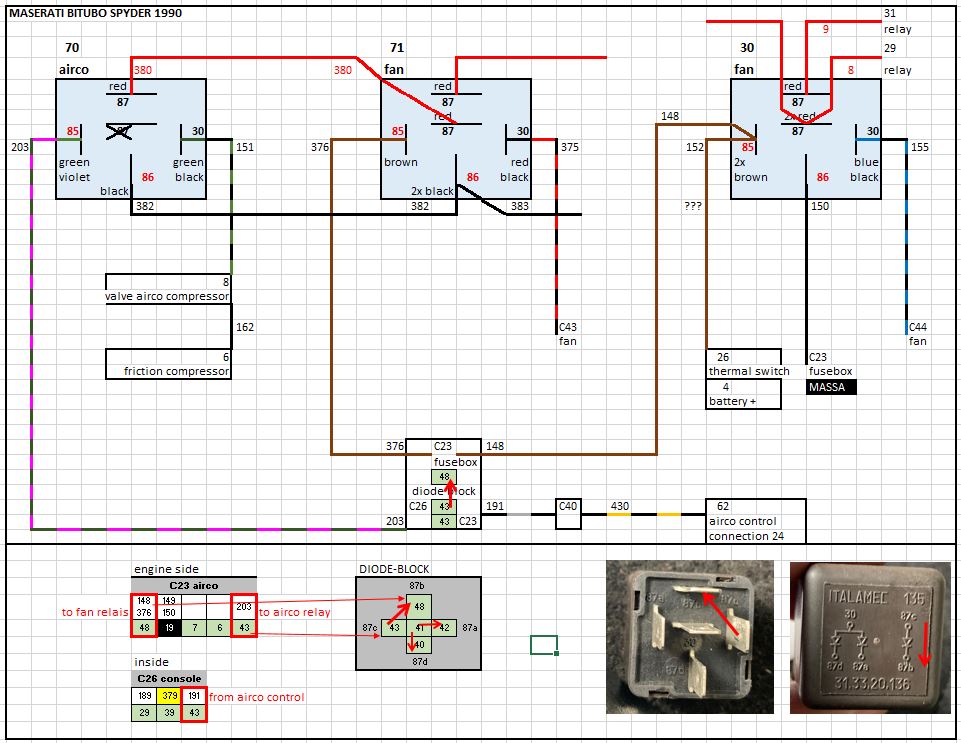
Puis je suis tombé là-dessus au détour du web, un schéma de la ventilation pour les nuls.
ET ça semble pas mal correspondre à ce que j'ai.

Un grand merci à l'auteur anonyme.
airco and fans 2.jpg

j'ai donc éliminé d'autres pistes, le pont de diode Italamec pourrait être en cause, mais je l'ai testé, et il remplit son rôle.
Par contre, si je l'enlève, plus de ventilo (heureusement probablement).

Reste à voir si j'ai du 12v sur la boite à fusible avec la clim sur off, si c'est le cas, le problème vient de la connection centrale clim-boite.

On verra ça demain. Normalement.
Mais ça avance.

Et c'est presque intéressant pour moi, j'ai appris plein de truc.
“What this button does is it turns carbon dioxide into noise.” J Clarkson
Merak - Biturbo SI - Shamal - Ghibli Cup 2800 - 3200GT AC - MC Victory
Répondre