C'est certainFroggie a écrit :J'aurais tendance à croire qu'un code donné reste stocké en mémoire, même si la batterie de la clé/télécommande est déchargée.gemini a écrit :Très probablement.
Mais j'imagine que celle-ci sert à garder le code en mémoire.
Une fois à plat, plus de code.
Recharger cette batterie ne sert donc à rien...
Un peu comme des infos stockées dans une clé USB.
Maintenant, si ta télécommande génère un nouveau code à chaque fois et que la base de codage a été déréglée par une pile morte, alors là c'est cramé...
[3200GT] Commande ne répond plus
-
En lignebay
- W16
- Messages : 7322
- Inscription : sam. 1 août 2015 20:34
- Localisation : 0
- Localisation : Belgique
- Contact :
Re: [3200GT] Commande ne répond plus
le registre Gransport MC Victory
Jeremy Clarkson. "tout passionné d'automobile doit avoir eu une Alfa-Romeo au moins une fois dans sa vie"
Re: [3200GT] Commande ne répond plus
La plupart des 3200 ont leur sirène qui ne fonctionne plus (quand elles en sont pas simplement débranchées) et cela n'a jamais posé de soucis avec la centralisation à distance.
Je ne vois pas ce que la sirène peut avoir comme rapport avec l'ouverture.
Quant à la désynchronisation, si ça n'existait pas, abacus n'offrirait pas le service de resynchro. (il suffit de leur envoyer le boitier et la carte electronique dans chaque clef, pas la sirène).
J'ai vu des trucs avec la sirene sur ferrarichat, mais dans leurs cas, la led reste allumée, pour signaler un soucis. Ici la led clignote, comme quand l'alarme est mise (ça peut le faire quand on coupe la batterie porte ouverte, ou fermée je ne sais plsu, et il suffit de rouvrir fermer avec la telecommande).
Je ne vois pas ce que la sirène peut avoir comme rapport avec l'ouverture.
Quant à la désynchronisation, si ça n'existait pas, abacus n'offrirait pas le service de resynchro. (il suffit de leur envoyer le boitier et la carte electronique dans chaque clef, pas la sirène).
J'ai vu des trucs avec la sirene sur ferrarichat, mais dans leurs cas, la led reste allumée, pour signaler un soucis. Ici la led clignote, comme quand l'alarme est mise (ça peut le faire quand on coupe la batterie porte ouverte, ou fermée je ne sais plsu, et il suffit de rouvrir fermer avec la telecommande).
“What this button does is it turns carbon dioxide into noise.” J Clarkson
Merak - Biturbo SI - Shamal - Ghibli Cup 2800 - 3200GT AC - MC Victory
Merak - Biturbo SI - Shamal - Ghibli Cup 2800 - 3200GT AC - MC Victory
- Froggie
- W16
- Messages : 9029
- Inscription : jeu. 12 oct. 2017 23:50
- Localisation : 0
- Localisation : Bruxelles, Belgique
Re: [3200GT] Commande ne répond plus
De ce que je comprends, ta clé fonctionne pour démarrer.
Seulement la commande à distance ne fonctionne pas.
Es-tu sûr que le transpondeur (l'antenne qui envoie le signal à la voiture) fonctionne encore?
Et/ou est-ce que tu observes le même dysfonctionnement pour tes deux clefs (ce qui écarterait en principe la panne de transpondeur d'une clef)?
Seulement la commande à distance ne fonctionne pas.
Es-tu sûr que le transpondeur (l'antenne qui envoie le signal à la voiture) fonctionne encore?
Et/ou est-ce que tu observes le même dysfonctionnement pour tes deux clefs (ce qui écarterait en principe la panne de transpondeur d'une clef)?
Re: [3200GT] Commande ne répond plus
Toutes les clefs.
Et j'ai vérifié leur batterie.
Certain que le problème n'est pas coté clefs.
Et j'ai vérifié leur batterie.
Certain que le problème n'est pas coté clefs.
“What this button does is it turns carbon dioxide into noise.” J Clarkson
Merak - Biturbo SI - Shamal - Ghibli Cup 2800 - 3200GT AC - MC Victory
Merak - Biturbo SI - Shamal - Ghibli Cup 2800 - 3200GT AC - MC Victory
Re: [3200GT] Commande ne répond plus
Le transpondeur anti démarrage c est ce qui est entouré en rouge t 5 id33
L émetteur de la télécommande ouverture de porte et alarme c est un circuit meta développé pour maserati. Le circuit en vert.
Les deux sont disjoints totalement.
Il faut approfondir la connaissance des alarmes meta.
Les deux sont disjoints totalement.
Il faut approfondir la connaissance des alarmes meta.
- Gio
- V8
- Messages : 1740
- Inscription : mer. 13 mai 2015 13:24
- Localisation : 59
- Localisation : Lille - Le Touquet
Re: [3200GT] Commande ne répond plus
Joeley n’est plus sur le forum ? Il était plutôt compétent sur l’électronique des voitures ..
Ex 3200 GTA
Ex Granturismo 4.2
Ex 4200 Cambiocorsa
Ex Granturismo 4.2
Ex 4200 Cambiocorsa
- Cooldent
- V8
- Messages : 1096
- Inscription : mar. 2 avr. 2019 10:20
- Localisation : 0
- Localisation : Belgique (dans le fond du jardin de Gemini)
Re: [3200GT] Commande ne répond plus
Futur tuto en perspective.
Reste à savoir de quelle couleur sera le patient
Reste à savoir de quelle couleur sera le patient
- plm
- W18
- Messages : 10382
- Inscription : sam. 26 déc. 2015 12:43
- Localisation : 51
- Localisation : Muizon (Reims)
Re: [3200GT] Commande ne répond plus
Son dernier message date du 19 juin. Ca n'est pas encore une année sur une ile déserte....Gio a écrit :Joeley n’est plus sur le forum ? Il était plutôt compétent sur l’électronique des voitures ..
Re: [3200GT] Commande ne répond plus
Quand je ne sais pas, je ne dis rien. 
Merci Gio.

Merci Gio.
3200GT Boîte Manu Giallo Granturismo
Re: [3200GT] Commande ne répond plus
Bon, après avoir encore un peu creusé le sujet, il me semble qu'il n'est pas indispensable de repartir sur une alarme Meta, pour ce que j'en vois, les branchements sont toujours identiques, pour autant que ce ne soit pas une alarme pour véhicule avec can-bus, ça devrait fonctionner.
Aussi, vu que l'on peut choisir n'importe quel modèle, je vais remédier à un truc qui m'embête sur la 3200, l'ouverture du coffre, je trouve le bouton dans l'habitacle très peu pratique pour charger (c'est le moins que l'on puisse dire), et l'emplacement pour la clef sur le coffre pas des plus aisés d'accès.
Certains systèmes, en plus de permettre l'ouverture des portes, proposent un bouton pour l'ouverture du coffre, ça peut être pratique.
Je regarde ce que je trouve à bon prix, et on voit si ça marche (au pire, si ça ne marche pas, je pourrai toujours l'installer sur la ghibli
)
Aussi, vu que l'on peut choisir n'importe quel modèle, je vais remédier à un truc qui m'embête sur la 3200, l'ouverture du coffre, je trouve le bouton dans l'habitacle très peu pratique pour charger (c'est le moins que l'on puisse dire), et l'emplacement pour la clef sur le coffre pas des plus aisés d'accès.
Certains systèmes, en plus de permettre l'ouverture des portes, proposent un bouton pour l'ouverture du coffre, ça peut être pratique.
Je regarde ce que je trouve à bon prix, et on voit si ça marche (au pire, si ça ne marche pas, je pourrai toujours l'installer sur la ghibli
“What this button does is it turns carbon dioxide into noise.” J Clarkson
Merak - Biturbo SI - Shamal - Ghibli Cup 2800 - 3200GT AC - MC Victory
Merak - Biturbo SI - Shamal - Ghibli Cup 2800 - 3200GT AC - MC Victory
- Froggie
- W16
- Messages : 9029
- Inscription : jeu. 12 oct. 2017 23:50
- Localisation : 0
- Localisation : Bruxelles, Belgique
Re: [3200GT] Commande ne répond plus
Si je comprends bien, tu vas changer tout le système: émetteur (la télécommande) et le récepteur (un ou plusieurs dispositifs dans la voiture)?
Afin d'avoir:
- une télécommande d'ouverture des portes;
- une télécommande d'ouverture de coffre; et
- permettant encore le déclenchement de l'alarme.
Toussa étant compatible avec l'ECU et le multiplexage de la voiture...
Intéressé et curieux, je suis
Afin d'avoir:
- une télécommande d'ouverture des portes;
- une télécommande d'ouverture de coffre; et
- permettant encore le déclenchement de l'alarme.
Toussa étant compatible avec l'ECU et le multiplexage de la voiture...
Intéressé et curieux, je suis
Re: [3200GT] Commande ne répond plus
En fait sur la 3200, le systeme meta fait office d'alarme et de centralisation de porte (enfin non, la centralisation a sa propre centrale, mais l'alarme communique avec pour lui dire, j'ai reçu l'impulsion, fait ton job et ouvre).
En sus de l'alarme, il y a l'immobilisateur qui est tout à fait indépendant.
Une panne de ce dernier est par ailleurs plutôt très problématique, la voiture ne roule pas, et le seul moyen de réparer et de remplacer l'immob ET l'ecu (ou de reprogrammer, mais faut trouver quelqu'un qui sait faire, et ça ne semble pas courir les rues).
Concernant l'alarme meta donc, le système est très permissif, il n'empêche pas le démarrage.
Il est par ailleurs tout à fait possible de débrancher le boitier et de rouler sans alarme, la voiture s'en fout.
Il faut la prendre pour une boite qui :
1. Communique avec une télécommande, et peut sur demande de cette dernière se désactiver (couper l'alarme) et ordonner à la centrale l'ouverture des portes.
2. Communique avec l'un ou l'autre capteur (au niveau des portes, du coffre, et il me semble le capot) pour déclencher l'alarme si ouverture de ceux-ci alarme branchée
3. Communique avec les feux pour les faire clignoter lors du déclenchement.
Et c'est tout.
On peut donc la remplacer par uniquement un boitier qui gère l'ouverture des portes (un truc tout con, alimenté en 12v par la batterie, en cas de clic sur la télécommande, ça envoie le message pour ouvrir les portes) ou un système hypercomplet (avec ouverture des portes, du coffre, alarme volumétrique, périmétrique, bouton de démarrage, sirène auto alimentée ou pas). Enfin, tous les gadgets que tu peux imaginer.
Dans mon cas, télécommande + alarme suffit je pense.
Et à priori, ça coute pas grand chose (j'en suis à une cinquantaine d'euro, mais je regarde encore).
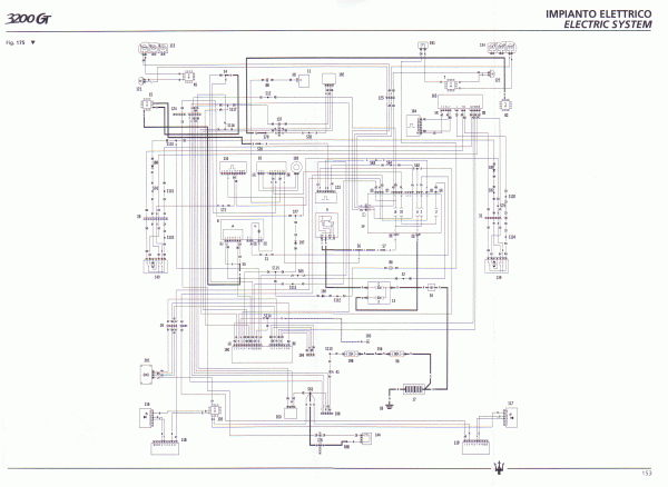
Voilà le schéma, c'est tout simple.
Il y a deux connections entre la centrale d'alarme et la central qui gère l'ouverture des fenêtre (qui elle même gère l'ouverture).
Elles arrivent sur les pin 17 et 18 et partent de la pin 1A et 5B de l'alarme.
Ca a l'air compliqué mais ça ne devrait pas.
Si quelqu'un a une imprimante A3 (ou a2)
En sus de l'alarme, il y a l'immobilisateur qui est tout à fait indépendant.
Une panne de ce dernier est par ailleurs plutôt très problématique, la voiture ne roule pas, et le seul moyen de réparer et de remplacer l'immob ET l'ecu (ou de reprogrammer, mais faut trouver quelqu'un qui sait faire, et ça ne semble pas courir les rues).
Concernant l'alarme meta donc, le système est très permissif, il n'empêche pas le démarrage.
Il est par ailleurs tout à fait possible de débrancher le boitier et de rouler sans alarme, la voiture s'en fout.
Il faut la prendre pour une boite qui :
1. Communique avec une télécommande, et peut sur demande de cette dernière se désactiver (couper l'alarme) et ordonner à la centrale l'ouverture des portes.
2. Communique avec l'un ou l'autre capteur (au niveau des portes, du coffre, et il me semble le capot) pour déclencher l'alarme si ouverture de ceux-ci alarme branchée
3. Communique avec les feux pour les faire clignoter lors du déclenchement.
Et c'est tout.
On peut donc la remplacer par uniquement un boitier qui gère l'ouverture des portes (un truc tout con, alimenté en 12v par la batterie, en cas de clic sur la télécommande, ça envoie le message pour ouvrir les portes) ou un système hypercomplet (avec ouverture des portes, du coffre, alarme volumétrique, périmétrique, bouton de démarrage, sirène auto alimentée ou pas). Enfin, tous les gadgets que tu peux imaginer.
Dans mon cas, télécommande + alarme suffit je pense.
Et à priori, ça coute pas grand chose (j'en suis à une cinquantaine d'euro, mais je regarde encore).
Voilà le schéma, c'est tout simple.
Il y a deux connections entre la centrale d'alarme et la central qui gère l'ouverture des fenêtre (qui elle même gère l'ouverture).
Elles arrivent sur les pin 17 et 18 et partent de la pin 1A et 5B de l'alarme.
Ca a l'air compliqué mais ça ne devrait pas.
Si quelqu'un a une imprimante A3 (ou a2)
“What this button does is it turns carbon dioxide into noise.” J Clarkson
Merak - Biturbo SI - Shamal - Ghibli Cup 2800 - 3200GT AC - MC Victory
Merak - Biturbo SI - Shamal - Ghibli Cup 2800 - 3200GT AC - MC Victory
- Froggie
- W16
- Messages : 9029
- Inscription : jeu. 12 oct. 2017 23:50
- Localisation : 0
- Localisation : Bruxelles, Belgique
Re: [3200GT] Commande ne répond plus
Typiquement le genre de diagramme qui me donne de l'urticaire.
(et j'imagine que pour 3200 c'est encore relativement simple par rapport aux modèles qui ont suivi où il y a carrément des boîtes noires...)
Mais c'est bien que tu sois immunisé
On suit
(et j'imagine que pour 3200 c'est encore relativement simple par rapport aux modèles qui ont suivi où il y a carrément des boîtes noires...)
Mais c'est bien que tu sois immunisé
On suit
Re: [3200GT] Commande ne répond plus
C'est pas si compliqué que ça, et ça fait plaisir de voir quelqu'un qui prend le temps de chercher à comprendre. Et sur n'importe quel sujet.
Encore une fois bravo
et merci.

Encore une fois bravo
3200GT Boîte Manu Giallo Granturismo
- Froggie
- W16
- Messages : 9029
- Inscription : jeu. 12 oct. 2017 23:50
- Localisation : 0
- Localisation : Bruxelles, Belgique
Re: [3200GT] Commande ne répond plus
Toutafé d'accord 
- Cooldent
- V8
- Messages : 1096
- Inscription : mar. 2 avr. 2019 10:20
- Localisation : 0
- Localisation : Belgique (dans le fond du jardin de Gemini)
Re: [3200GT] Commande ne répond plus
Bravo Gemini.
Je dois avouer que je traînais un peu les pieds pour investiguer ce soucis chez moi.
Mais si tu nous trouves la solution facile, pas chère et complète, c'est gagné, tu as ta statue dans le jardin
Je dois avouer que je traînais un peu les pieds pour investiguer ce soucis chez moi.
Mais si tu nous trouves la solution facile, pas chère et complète, c'est gagné, tu as ta statue dans le jardin
Re: [3200GT] Commande ne répond plus
Tu veux dire qu elle n est pas encore installée?Cooldent a écrit :Bravo Gemini.
Je dois avouer que je traînais un peu les pieds pour investiguer ce soucis chez moi.
Mais si tu nous trouves la solution facile, pas chère et complète, c'est gagné, tu as ta statue dans le jardin
- Gianni
- V12
- Messages : 4528
- Inscription : lun. 5 août 2013 12:49
- Localisation : 33
- Localisation : Bordeaux
Re: [3200GT] Commande ne répond plus
moi aussi, je pensais que c'était déjà le cas.
Ghibli II Open Cup "Denny Zardo" - 1995 - Rosso Maserati
3200 GTA Assetto Corsa - 2002 - Blu Nettuno
ex-3200 GT - 1999 - Grigio Touring
ex-Ghibli II 2,8 GT - 1998 - Blu Nettuno
ex-Gransport 10th Anniversary - 2007 - Nero Carbonio
3200 GTA Assetto Corsa - 2002 - Blu Nettuno
ex-3200 GT - 1999 - Grigio Touring
ex-Ghibli II 2,8 GT - 1998 - Blu Nettuno
ex-Gransport 10th Anniversary - 2007 - Nero Carbonio
- Dom3200
- V8
- Messages : 2164
- Inscription : ven. 18 mars 2016 16:11
- Localisation : 91
- Localisation : Essonne
Re: [3200GT] Commande ne répond plus
J'ai bien cru hier que j'étais victime d'une malédiction après avoir fait trop de blagues Belges étant petit. Après avoir changé mes bobines et impatient d'aller faire un petit tour, je remets le coupe contact et bip la télécommande, rien, puis rien puis rien... Ca n'empêche pas de démarrer, mais rouler avec les warning en mode alarme bof
Après quelques essais, j'ai réussi avec le tout petit peu de reste de piles de la 2° clé.. Aujourd'hui achat de 4 piles CR1220 (2 par clé) et tout marche nickel. Pffff promis je mets un cierge la prochaine fois que je passe devant le manneken pis
Après quelques essais, j'ai réussi avec le tout petit peu de reste de piles de la 2° clé.. Aujourd'hui achat de 4 piles CR1220 (2 par clé) et tout marche nickel. Pffff promis je mets un cierge la prochaine fois que je passe devant le manneken pis
3200 GT Juil 2001 / RACING Nov 1991
Re: [3200GT] Commande ne répond plus
J'ai lourdement investi pour remplacer ce boitier.
Un système à 34 euro.
Faudrait peut-être que je change mes piles toute de même, mais bon, au voltmetre, elles semblaient bonnes...
Un système à 34 euro.
Faudrait peut-être que je change mes piles toute de même, mais bon, au voltmetre, elles semblaient bonnes...
“What this button does is it turns carbon dioxide into noise.” J Clarkson
Merak - Biturbo SI - Shamal - Ghibli Cup 2800 - 3200GT AC - MC Victory
Merak - Biturbo SI - Shamal - Ghibli Cup 2800 - 3200GT AC - MC Victory


