Koni Shock Absorber : Overhaul

Décrivez votre problème...
Avatar de l’utilisateur
bay
W16
Messages : 7322
Inscription : sam. 1 août 2015 20:34
Localisation : 0
Localisation : Belgique
Contact :

Re: Koni Shock Absorber : Overhaul

Message par bay »

J'ai trouvé ceci , si cela peut vous aider dans vos recherches :?:
http://webcache.googleusercontent.com/s ... clnk&gl=be
:Maze Maserati Granturismo S Aut. 4,7 V8 Blu Oceano / Sabbia # 47902 Ass. 48898 Engine 148469


le registre Gransport MC Victory

Jeremy Clarkson. "tout passionné d'automobile doit avoir eu une Alfa-Romeo au moins une fois dans sa vie"
Avatar de l’utilisateur
ghibli30
V8
Messages : 2100
Inscription : dim. 4 sept. 2011 19:30
Localisation : 6
Localisation : Nice

Re: Koni Shock Absorber : Overhaul

Message par ghibli30 »

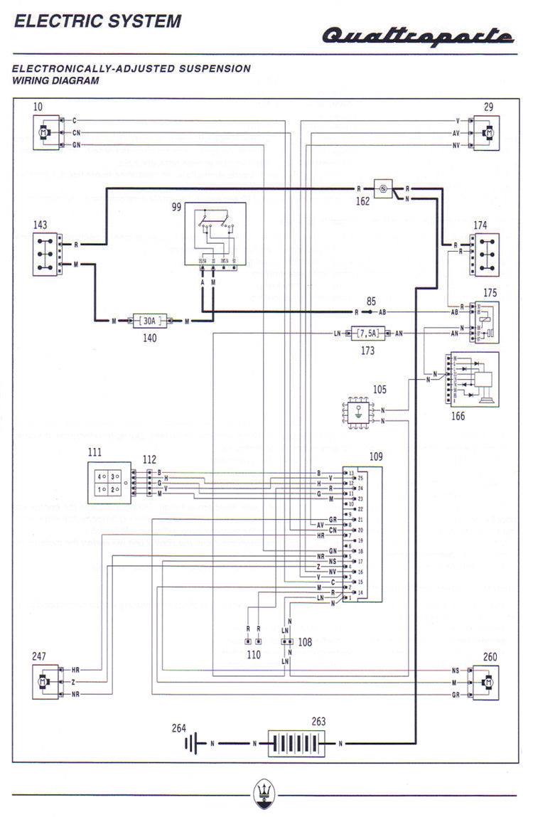
Merci Bay, c'est en effet le schéma de câblage des Quattroporte et Ghibli, que l'on trouve dans les manuels d'usine.
On y voit le raccordement qui permet de passer en mode test.
L'objet qui pose problème, c'est le servomoteur, marqué "M" sur chaque amortisseur, la fameuse pièce en photo qui est en fait un assemblage d'une électronique de commande, un micromoteur 12V, un réducteur, et un potentiomètre de recopie, bref un servomoteur classique, mais un modèle spécialement fabriqué pour Koni....
Patrice
Image
Avatar de l’utilisateur
souardbenoit
4 cylindres
Messages : 305
Inscription : mar. 17 mars 2015 16:16
Localisation : 69
Localisation : 69001
Contact :

Re: Koni Shock Absorber : Overhaul

Message par souardbenoit »

bay a écrit :J'ai trouvé ceci , si cela peut vous aider dans vos recherches :?:
http://webcache.googleusercontent.com/s ... clnk&gl=be

malheureusement le lien est en erreur 404....
Avatar de l’utilisateur
ghibli30
V8
Messages : 2100
Inscription : dim. 4 sept. 2011 19:30
Localisation : 6
Localisation : Nice

Re: Koni Shock Absorber : Overhaul

Message par ghibli30 »

Je peux t'envoyer ce schéma,mais je ne pense pas qu'il t'aide beaucoup, c'est juste la câblage de la voiture.
Faut procéder par ordre.
Passe en mode test et vois déja quels amortisseurs sont en défaut, vu par le calculateur.
Patrice
Image
Avatar de l’utilisateur
bay
W16
Messages : 7322
Inscription : sam. 1 août 2015 20:34
Localisation : 0
Localisation : Belgique
Contact :

Re: Koni Shock Absorber : Overhaul

Message par bay »

Peut être connu , même sujet en allemand sur le forum :
http://www.m-erdmann.com/forum/showthre ... 180&page=1
:Maze Maserati Granturismo S Aut. 4,7 V8 Blu Oceano / Sabbia # 47902 Ass. 48898 Engine 148469


le registre Gransport MC Victory

Jeremy Clarkson. "tout passionné d'automobile doit avoir eu une Alfa-Romeo au moins une fois dans sa vie"
Avatar de l’utilisateur
Konimino2
W18
Messages : 10320
Inscription : mar. 25 avr. 2017 23:54
Localisation : 67

Re: Koni Shock Absorber : Overhaul

Message par Konimino2 »

bay a écrit :J'ai trouvé ceci , si cela peut vous aider dans vos recherches :?:
http://webcache.googleusercontent.com/s ... clnk&gl=be

Je le mets en image sur le site. Le lien n aboutit plus au doc.
EB020AAA-03AC-4309-B3E7-D9DAE896BA42.jpeg
D16AFC21-09F5-4985-B772-E952BCCB14DE.jpeg
Konimin AJ ERROR CODES:
Even if MCU knows exactly which shocks have unexpected behavior it does not give us this information.
Two error codes:
Iif any shock is disconnected then the status LED stays on
If a failure on a shock was observed then the LED blinks
DIAGNOSTIC MODE : The wiring harness contains a 1-pin red connector that should be near the control panel or the selection button. This connector is normally open. If you close it (at any time) the system enters the diagnostic mode in which the computer cycles over the following steps: Send one by one the 4 positions to the shocks (about every 2 seconds, from position 4 (hardest) to 1 (softest) Shut down shocks and blink the red LED eight times
In this mode computer does not care about how many shocks are connected and whether they work.
If a shock is working you will hear its motor rotate


Info depuis Facebook. Quelqu un les a déjà vu clignoter?
Avatar de l’utilisateur
ghibli30
V8
Messages : 2100
Inscription : dim. 4 sept. 2011 19:30
Localisation : 6
Localisation : Nice

Re: Koni Shock Absorber : Overhaul

Message par ghibli30 »

Sujet connu, déjà décrit dans le forum et traité par Alex sur le site d'Enrico....
Bref, si tout fonctionne le voyant du haut est éteint. En cas de défaut il est rouge. Il peut arriver qu'il soit éteint sur certaines positions et rouge sur d'autres, ce qui démontre qu'un amortisseur à des "ratés"...
Pour aller plus loin il faut passer en mode test en reliant les deux cosses qui sont derrière la moquette à gauche de la boite à gants. Le calculateur teste alors chaque amortisseur en fonction de la position choisie. Si on est en mode 1 (diode verte en bas à droite), on teste l'amortisseur arrière droit. Si on est en mode 2 ( diode verte en haut à droite), on teste l'amortisseur avant droit etc...
Le test se fait tout seul. Le résultat se lit sur la diode rouge. Au bout de quelques secondes on a le résultat. Si la diode clignote rapidement c'est bon pour cet amortisseur. Si la diode est rouge fixe, problème sur celui-là. Pareil pour les autres, on sélectionne l'amortisseur avec le clavier et le test se déroule. Si ça clignote pour tous c'est bon. Si c'est rouge fixe sur un ou plusieurs, aïe......Le test se déroule à l'infini, lorsque l'on est sur une position: test, résultat, test, résultat......
À ne pas trop utiliser parce que le test fait tourner les amortisseurs ( les 4) de butée à butée, en permanence, tant qu'on est en test ça tourne. Donc pas la peine de les solliciter plus que nécessaire....
Patrice
Image
Avatar de l’utilisateur
Konimino2
W18
Messages : 10320
Inscription : mar. 25 avr. 2017 23:54
Localisation : 67

Re: Koni Shock Absorber : Overhaul

Message par Konimino2 »

ghibli30 a écrit :Sujet connu, déjà décrit dans le forum et traité par Alex sur le site d'Enrico....
Bref, si tout fonctionne le voyant du haut est éteint. En cas de défaut il est rouge. Il peut arriver qu'il soit éteint sur certaines positions et rouge sur d'autres, ce qui démontre qu'un amortisseur à des "ratés"...
Pour aller plus loin il faut passer en mode test en reliant les deux cosses qui sont derrière la moquette à gauche de la boite à gants. Le calculateur teste alors chaque amortisseur en fonction de la position choisie. Si on est en mode 1 (diode verte en bas à droite), on teste l'amortisseur arrière droit. Si on est en mode 2 ( diode verte en haut à droite), on teste l'amortisseur avant droit etc...
Le test se fait tout seul. Le résultat se lit sur la diode rouge. Au bout de quelques secondes on a le résultat. Si la diode clignote rapidement c'est bon pour cet amortisseur. Si la diode est rouge fixe, problème sur celui-là. Pareil pour les autres, on sélectionne l'amortisseur avec le clavier et le test se déroule. Si ça clignote pour tous c'est bon. Si c'est rouge fixe sur un ou plusieurs, aïe......Le test se déroule à l'infini, lorsque l'on est sur une position: test, résultat, test, résultat......
À ne pas trop utiliser parce que le test fait tourner les amortisseurs ( les 4) de butée à butée, en permanence, tant qu'on est en test ça tourne. Donc pas la peine de les solliciter plus que nécessaire....
Et be la j ai compris c est super clair.
Avatar de l’utilisateur
alpa
V12
Messages : 4303
Inscription : mer. 9 févr. 2011 15:19
Localisation : Grenoble

Re: Koni Shock Absorber : Overhaul

Message par alpa »

Le texte en anglais est le mien et Enrico l'a recopie (avec ma permission) et enrichi avec quelques images supplementaires.
ghibli30 a écrit :Sujet connu, déjà décrit dans le forum et traité par Alex sur le site d'Enrico....
Bref, si tout fonctionne le voyant du haut est éteint. En cas de défaut il est rouge. Il peut arriver qu'il soit éteint sur certaines positions et rouge sur d'autres, ce qui démontre qu'un amortisseur à des "ratés"...
Pour aller plus loin il faut passer en mode test en reliant les deux cosses qui sont derrière la moquette à gauche de la boite à gants. Le calculateur teste alors chaque amortisseur en fonction de la position choisie. Si on est en mode 1 (diode verte en bas à droite), on teste l'amortisseur arrière droit. Si on est en mode 2 ( diode verte en haut à droite), on teste l'amortisseur avant droit etc...
Le test se fait tout seul. Le résultat se lit sur la diode rouge. Au bout de quelques secondes on a le résultat. Si la diode clignote rapidement c'est bon pour cet amortisseur. Si la diode est rouge fixe, problème sur celui-là. Pareil pour les autres, on sélectionne l'amortisseur avec le clavier et le test se déroule. Si ça clignote pour tous c'est bon. Si c'est rouge fixe sur un ou plusieurs, aïe......Le test se déroule à l'infini, lorsque l'on est sur une position: test, résultat, test, résultat......
À ne pas trop utiliser parce que le test fait tourner les amortisseurs ( les 4) de butée à butée, en permanence, tant qu'on est en test ça tourne. Donc pas la peine de les solliciter plus que nécessaire....
T'es sur de ca ? Ce n'est absolument pas ce que j'observe ni ce que je decris.
De plus le mode test n'existe que sur les boitiers GT/QP4, sur les 224/424/Racing/2224v c'est le vieux boitier qui ne sait rien faire (ou alors j'ai pas trouve, j'ai les deux).
On se reposera a la morgue Coucou Koen
Avatar de l’utilisateur
ghibli30
V8
Messages : 2100
Inscription : dim. 4 sept. 2011 19:30
Localisation : 6
Localisation : Nice

Re: Koni Shock Absorber : Overhaul

Message par ghibli30 »

Salut Alex,
Tu as raison!! Je suis sûr bien entendu, puisque j'ai carrément fait un banc de test identique au système monté sur la voiture mais précision, je parle de la Ghibli GT, et probablement même si je n'ai pas vérifié, de la Ghibli depuis l'origine. Et donc en effet sur les Biturbos, c'est peut-être et même probablement différent.
Donc oui, ce mode n'existe peut-être pas ou est différent sur les modèles précédents.
Pour revenir au mode test que vois-tu de différent? À part le clignotement qui se fait en mode test et pas en mode normal....
Patrice
Image
Avatar de l’utilisateur
alpa
V12
Messages : 4303
Inscription : mer. 9 févr. 2011 15:19
Localisation : Grenoble

Re: Koni Shock Absorber : Overhaul

Message par alpa »

Je n'ai pas compris de quoi t'es sur et de quoi tu ne l'es pas.
Ma description en anglais parle du boitier GT/QP4. Tu le vois puisque celui d'avant n'a pas de microprocesseur.
J'en ai deux sur ma 430 (que j'utilise par paire d'amorto) et j'ai celui de la Primatist (donc une GT). J'ai teste les amortos de la Prima il y a 2 jours. J'ai un servo d'amorto nu que je branche a la place d'un amorto, je vois donc ce qu'il fait. Et ce qu'il fait c'est ce que je decris: il passe en boucle par toutes les positions sur tous les amortos en meme temps. Je n'ai pas l'impression qu'en appuyant sur le clavier ca change son comportement, mais je vais verifier demain. Si c'etait vrai ce serait vraiment bien et il faudrait que je corrige ma prose sur le web.

Le boitier d'avant est un simple generateur d'impulsions fait avec une eprom, il n'a pas de mode test.
On se reposera a la morgue Coucou Koen
Avatar de l’utilisateur
Konimino2
W18
Messages : 10320
Inscription : mar. 25 avr. 2017 23:54
Localisation : 67

Re: Koni Shock Absorber : Overhaul

Message par Konimino2 »

alpa a écrit :Je n'ai pas compris de quoi t'es sur et de quoi tu ne l'es pas.
Ma description en anglais parle du boitier GT/QP4. Tu le vois puisque celui d'avant n'a pas de microprocesseur.
J'en ai deux sur ma 430 (que j'utilise par paire d'amorto) et j'ai celui de la Primatist (donc une GT). J'ai teste les amortos de la Prima il y a 2 jours. J'ai un servo d'amorto nu que je branche a la place d'un amorto, je vois donc ce qu'il fait. Et ce qu'il fait c'est ce que je decris: il passe en boucle par toutes les positions sur tous les amortos en meme temps. Je n'ai pas l'impression qu'en appuyant sur le clavier ca change son comportement, mais je vais verifier demain. Si c'etait vrai ce serait vraiment bien et il faudrait que je corrige ma prose sur le web.

Le boitier d'avant est un simple generateur d'impulsions fait avec une eprom, il n'a pas de mode test.
Donc sur la 222 4v, il n y a pas de mode test. C est ça?
Avatar de l’utilisateur
alpa
V12
Messages : 4303
Inscription : mer. 9 févr. 2011 15:19
Localisation : Grenoble

Re: Koni Shock Absorber : Overhaul

Message par alpa »

Konimino2 a écrit :Donc sur la 222 4v, il n y a pas de mode test. C est ça?
Je ne pense pas. Il suffit de regarder a cote du boitier Koni qui est fixe au-dessus de la boite a gants sous le TDB. Si le boitier a plein de cables plats qui partent par plein de trous c'est l'ancien sans test.
On se reposera a la morgue Coucou Koen
Avatar de l’utilisateur
alpa
V12
Messages : 4303
Inscription : mer. 9 févr. 2011 15:19
Localisation : Grenoble

Re: Koni Shock Absorber : Overhaul

Message par alpa »

ghibli30 a écrit : Pour aller plus loin il faut passer en mode test en reliant les deux cosses qui sont derrière la moquette à gauche de la boite à gants. Le calculateur teste alors chaque amortisseur en fonction de la position choisie. Si on est en mode 1 (diode verte en bas à droite), on teste l'amortisseur arrière droit. Si on est en mode 2 ( diode verte en haut à droite), on teste l'amortisseur avant droit etc...
Le test se fait tout seul. Le résultat se lit sur la diode rouge. Au bout de quelques secondes on a le résultat. Si la diode clignote rapidement c'est bon pour cet amortisseur. Si la diode est rouge fixe, problème sur celui-là. Pareil pour les autres, on sélectionne l'amortisseur avec le clavier et le test se déroule. Si ça clignote pour tous c'est bon. Si c'est rouge fixe sur un ou plusieurs, aïe......Le test se déroule à l'infini, lorsque l'on est sur une position: test, résultat, test, résultat......
Je confirme ce qui est dit ci-dessus. Les quatre amortos s'ajustent en meme temps mais le rapport par la LED ne concerne qu'un seul des quatre. Du coup j'ai un amorto qui a l'air de s'ajuster comme il faut (il fait du bruit a chaque fois) mais le boitier n'est pas content.
Faut que je fasse modifier ma prose a Enrico.
On se reposera a la morgue Coucou Koen
Avatar de l’utilisateur
ghibli30
V8
Messages : 2100
Inscription : dim. 4 sept. 2011 19:30
Localisation : 6
Localisation : Nice

Re: Koni Shock Absorber : Overhaul

Message par ghibli30 »

Ouf!! J'avoue que cela devient vite compliqué à expliquer. En me relisant je confirme que c'est juste techniquement, mais pas forcément facile à bien comprendre. Content qu'Alex confirme! Bref oui, les quatre amortos tournent en même temps, et le résultat ne concerne qu'un, celui qui est allumé en vert. Le résultat est sur la led rouge: clignotement OK, fixe KO.
Nous sommes d'accord: GT/QP only!
Alex, tu as un amorto qui fait du bruit, mais résultat KO? C'est que le boîtier n'est pas content de la mesure de courant. Comme je le disais dans un post précédent, ça peut venir du filtrage un peu sommaire de la mesure qui peut la rendre sensible aux glitchs qui circulent forcément sur le courant d'un moteur CC à collecteur, tels que ces petits moteurs 12v. Tu peux essayer de mettre quelques pico farads en parallèle sur les 10 ohms. Et doubler la diode d'alimentation pour gagner un peu de tension, elle est un peu faible sous 12v. Démarre le moteur pour monter à 14v le défaut peut disparaître.
Si ça persiste, c'est que le positionnement se fait, mais pas normalement, malheureusement défaut probable du servo. Je connais......
Patrice
Image
Avatar de l’utilisateur
alpa
V12
Messages : 4303
Inscription : mer. 9 févr. 2011 15:19
Localisation : Grenoble

Re: Koni Shock Absorber : Overhaul

Message par alpa »

Je ne vais rien faire, les 4 amortos sont en rade, il faut les remplacer/reparer. Et c'est une tache enorme. La Primatist n'est pas a moi.

Doubler une diode par une autre ne sert (presque) a rien, c'est un semi-con pas une resistance, la chute de tension est presque independante du courant. La remplacer par une diode a faible chute de tension (0.3-0.4v) est plus interessant.
Pour filtrer un signal tres sale d'une moteur a balais il vaut mieux utiliser une inductance en serie anti-parasites.
On se reposera a la morgue Coucou Koen
Avatar de l’utilisateur
ghibli30
V8
Messages : 2100
Inscription : dim. 4 sept. 2011 19:30
Localisation : 6
Localisation : Nice

Re: Koni Shock Absorber : Overhaul

Message par ghibli30 »

En effet on gagne peu, on divise seulement le courant par deux, ce qui sur une caractéristique de diode ne change pas beaucoup la tension, je suis d'accord, mais c'est toujours ça de pris. Le mieux est de mettre une diode schottky on divisera la tension per deux au moins, je suis toujours d'accord.
Pour le filtrage je n'ai pas été forcément clair. Il ne s'agit pas de filtrer le courant consommé ou de filtrer l'alimentation. Il s'agit seulement de nettoyer la détection de ce courant aux bornes de la 10 ohms, pour rendre plus propre le signal envoyé sur le comparateur. On est sur du petit signal haute impédance, les capas fonctionnent assez bien pour çà. C'est d'ailleurs ce qu'a fait Koni, mais ils ont été un peu légers sur les valeurs. J'ai essayé, ça fonctionne tellement bien qu'en montant les valeurs on peut carrément "abrutir" le signal. On a alors un signal très propre mais complètement intégré. Il suffit de trouver le bon compromis qui supprime les glitchs, mais garde l'amplitude.

Bref c'est du détail, si tu as 4 amortisseurs morts tu n'en es plus là, et c'est galère. On trouve du neuf, mais cher.....
Patrice
Image
Avatar de l’utilisateur
Konimino2
W18
Messages : 10320
Inscription : mar. 25 avr. 2017 23:54
Localisation : 67

Re: Koni Shock Absorber : Overhaul

Message par Konimino2 »

[="ghibli30"]

Bref c'est du détail, si tu as 4 amortisseurs morts tu n'en es plus là, et c'est galère. On trouve du neuf, mais cher.....[/quote]

On trouve du neuf? Ou ça?
Avatar de l’utilisateur
ghibli30
V8
Messages : 2100
Inscription : dim. 4 sept. 2011 19:30
Localisation : 6
Localisation : Nice

Re: Koni Shock Absorber : Overhaul

Message par ghibli30 »

Parfois chez Maseratispares et chez Camapana à Modène. Mais ce n'est pas sur leur site, il faut les contacter....
Patrice
Image
Avatar de l’utilisateur
Konimino2
W18
Messages : 10320
Inscription : mar. 25 avr. 2017 23:54
Localisation : 67

Re: Koni Shock Absorber : Overhaul

Message par Konimino2 »

J ai récupéré 2 koni pilotables, pour la 222 4v

Questions si quelqu un sait

A. Les Konis pilotables vont ils pour tous les modèles de la racing 2224v 224 qp4?

B. Comment tester le pilotage lorsqu. Ils sont démontés?
Koni pilotable
Koni pilotable
Répondre